Ixxat CAN@net II/VCI handleiding
Handleiding
Je bekijkt pagina 6 van 22

CAN@net II - Manual, V2.0
Introduction
6
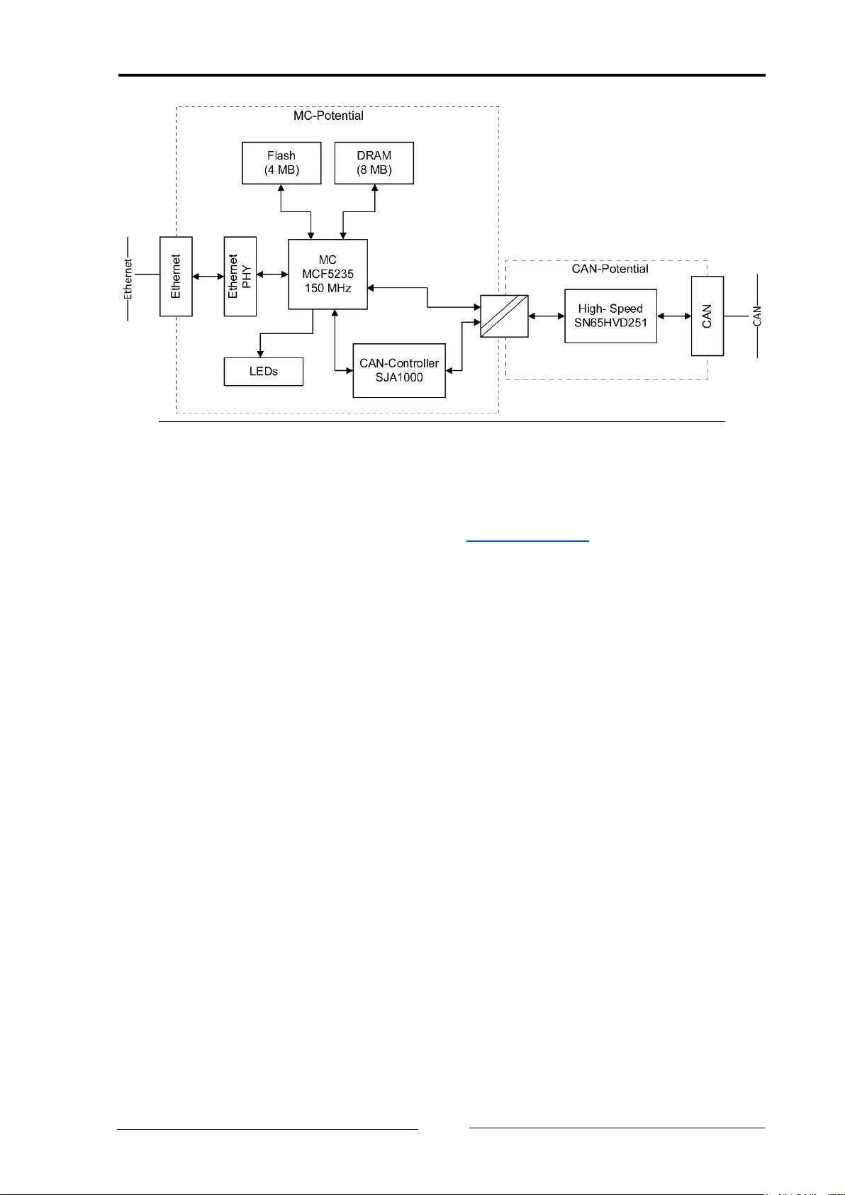
Picture 1-1: Block diagram of the CAN@net II
1.3 Support
For more information on our products, FAQ lists and installation tips, please
refer to the support section of our website (www.ixxat.com
), which also contains
information on current product versions and available updates.
If you have any further questions after studying the information on our website
and the manuals, please contact our support department. The support section
on our website contains the relevant forms for your support request. In order to
facilitate our support work and enable a fast response, please provide precise
information on the individual points and describe your question or problem in
detail.
If you would prefer to contact our support department by phone, please also
send a support request via our website first, so that our support department has
the relevant information available.
1.4 Returning Hardware
If it is necessary to return hardware to us, please download the relevant RMA
form from our homepage and follow the instructions on this form. In the case of
repairs, please also describe the problem or fault in detail on the RMA form. This
will enable us to carry out the repair quickly.
Bekijk gratis de handleiding van Ixxat CAN@net II/VCI, stel vragen en lees de antwoorden op veelvoorkomende problemen, of gebruik onze assistent om sneller informatie in de handleiding te vinden of uitleg te krijgen over specifieke functies.
Productinformatie
| Merk | Ixxat |
| Model | CAN@net II/VCI |
| Categorie | Niet gecategoriseerd |
| Taal | Nederlands |
| Grootte | 4008 MB |
