InSinkErator SS-200 handleiding
Handleiding
Je bekijkt pagina 7 van 44

Service Manual
4
Commercial Disposers
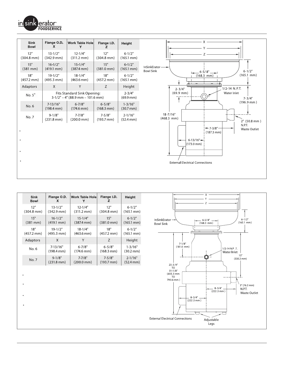
NOTE:
Adaptors are available upon request for all competitor
sink bowls or cones.
Please have sink/bowl cone type with the necessary
dimensions when ordering adaptors.
Also available as a short body model. Reduces overall
height of disposer by 1” (25.4 mm).
Legs shipped in carton with unit. Assembly required prior to unit installation.
* It is recommended to add legs (Part No.11757C) with No. 5 Mounting Assembly.
Figure 3. Dimensions - Models SS-150 & SS-200
NOTE:
Adaptors are available upon request for all competitor
sink bowls or cones.
Please have sink/bowl cone type with the necessary
dimensions when ordering adaptors.
Also available as a short body model. Reduces overall
height of disposer by 3” (76.2 mm).
Unit shipped with legs installed from factory. Adjustment
required at time of unit installation.
Figure 4. Dimensions - Models SS-300, SS-500, SS-750 & SS1000
Bekijk gratis de handleiding van InSinkErator SS-200, stel vragen en lees de antwoorden op veelvoorkomende problemen, of gebruik onze assistent om sneller informatie in de handleiding te vinden of uitleg te krijgen over specifieke functies.
Productinformatie
| Merk | InSinkErator |
| Model | SS-200 |
| Categorie | Vuilnisbak |
| Taal | Nederlands |
| Grootte | 12358 MB |
