Handleiding
Je bekijkt pagina 49 van 60

49
C
5
4
8
6
7
11
9
10
C
E
G
M
I
L
3
12
N
D
F
H
O
13
2
A1
B
P
14
K1
45
K3 K5 K6
F F1
M
K7 K9 K13 K15K8
22
22
M
VT
22
P
IN
OUT
00
00
R4
11
55
R1
R2
11
00
00
00
R3
22
T
S1
S2
00
M
M
MG
VR
L1
L2
00
00
22
22
00
66
66
66
44
11
33
33
22
00
Q
15
N
TT
33
33
33
33
33
33
33
00
66
00
11
11
11
11
55
RL
TS
22
55
55
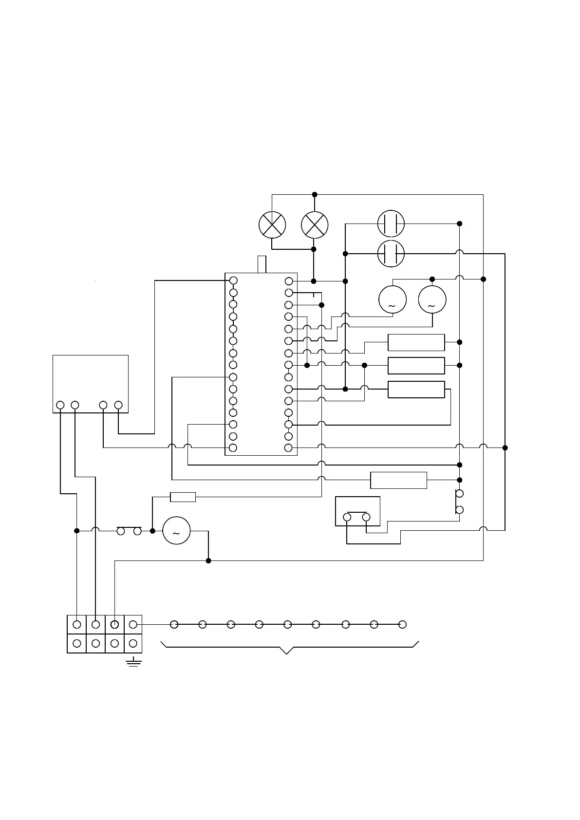
ELECTRICAL SKETCHES
U(P/N) 36MP - U(P-N) 361MP
U(P/N) I 36MP - U(P-N) I 361MP
Bekijk gratis de handleiding van Ilve UN30, stel vragen en lees de antwoorden op veelvoorkomende problemen, of gebruik onze assistent om sneller informatie in de handleiding te vinden of uitleg te krijgen over specifieke functies.
Productinformatie
| Merk | Ilve |
| Model | UN30 |
| Categorie | Fornuis |
| Taal | Nederlands |
| Grootte | 11053 MB |







