Ilve UN30 handleiding

60 pagina's
PDF beschikbaar

Handleiding

Je bekijkt pagina 48 van 60
48
C
5
4
8
6
7
11
9
10
C
E
G
M
I
L
3
12
N
D
F
H
O
13
2
A 1
B
P
14
K1
45
K3 K5 K6
F F1
M
K7 K9 K13 K15K8
22
22
M
VT
22
P
IN
OUT
00
00
R4
11
55
R1
R2
11
00
00
00
R3
22
T
S1
S2
00
M
M
MG
VR
L1
L2
00
00
22
22
00
66
66
66
44
11
33
33
22
00
Q
15
N
TT
33
33
33
33
33
33
33
00
66
00
11
11
11
11
55
RL
TS
22
55
55
M
VR
R4
22
22
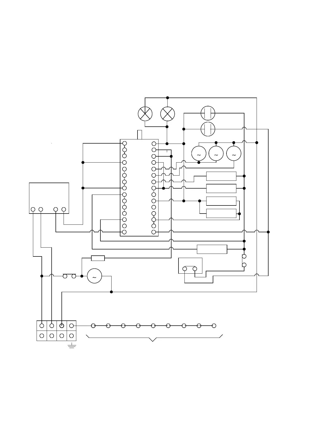
ELECTRICAL SKETCHES
U (P/N) 30...MP
U (P/N) I 30...MP

Bekijk gratis de handleiding van Ilve UN30, stel vragen en lees de antwoorden op veelvoorkomende problemen, of gebruik onze assistent om sneller informatie in de handleiding te vinden of uitleg te krijgen over specifieke functies.

Productinformatie

MerkIlve
ModelUN30
CategorieFornuis
TaalNederlands
Grootte11053 MB