Handleiding
Je bekijkt pagina 37 van 42

www.heinner.com
36
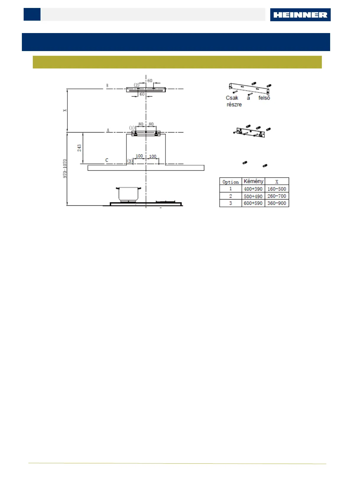
5. ÜZEMBE HELYEZÉS
A FAL FÚRÁSA ÉS A TARTÓ RÖGZÍTÉSE
Első lépésként készítse el az alábbi jelöléseket:
Egy függőleges vonalat a mennyezetig vagy a felső határig, a páraelszívó tervezett középpontjában.
Egy vízszintes A vonalat a tűzhely fölött 970–1070 mm magasságban.
Egy vízszintes B vonalat X mm-rel az A vonal fölött.
Egy vízszintes C vonalat 243 mm-rel az A vonal alatt.
Jelölje meg a pontokat:
Jelöljön ki egy pontot (1) az A vízszintes vonalon, 80 mm-re a függőleges referencia vonaltól.
Ismételje meg ugyanezt a műveletet az A vonal másik oldalán is, ügyelve arra, hogy mindhárom jelölés egy
szinten legyen.
Jelöljön ki egy pontot (2) a B vízszintes vonalon, 60 mm-re a függőleges referencia vonaltól (ez csak a kémény
felső dekoratív szakaszára vonatkozik).
Ismételje meg ugyanezt a műveletet a B vonal másik oldalán, ügyelve arra, hogy a két jelölés ugyanazon a
vízszintes vonalon helyezkedjen el.
Jelöljön ki egy pontot (3) a C vízszintes vonalon, 100 mm-re a függőleges referencia vonaltól. Ismételje meg
ugyanezt a műveletet a C vonal másik oldalán, ügyelve arra, hogy a két jelölés egy szinten legyen.
Tartók rögzítése:
Fúrjon lyukakat az előzőleg megjelölt pontokon, 10 mm átmérőjű fúrószárral.
Helyezzen 11-es tipliket a furatokba.
Rögzítse a 20-as tartót az A vízszintes vonalon 3 darab 10-es csavarral (5 x 50).
Rögzítse a 21-es tartót (a kémény felső dekoratív szakaszához) az B vízszintes vonalon 2 darab 10-es csavarral
(5 x 50).
Az alsó dekoratív kéményszakasz rögzítése
Rögzítse az elvezető csövet a páraelszívó készülékházára. Csatlakoztassa a kéményt a páraelszívó
készülékházához, és rögzítse őket 2 darab 12-es csavarral. Kösse össze a kémény rögzítő tartóját és a kéményt
2 darab 12-es csavarral.
Bekijk gratis de handleiding van Heinner HDCH-MD60TIX, stel vragen en lees de antwoorden op veelvoorkomende problemen, of gebruik onze assistent om sneller informatie in de handleiding te vinden of uitleg te krijgen over specifieke functies.
Productinformatie
| Merk | Heinner |
| Model | HDCH-MD60TIX |
| Categorie | Afzuigkap |
| Taal | Nederlands |
| Grootte | 8444 MB |







