Haws 1201SFH handleiding
Handleiding
Je bekijkt pagina 20 van 21

15 3/4"
401mm
15"
382mm
14"
356mm
13 1/4"
337mm
© 2020 Haws Corporation - All Rights Reserved. HAWS® and other trademarks used in these materials are the exclusive property of Haws Corporation.
THIS DOCUMENT IS TRUE AND CORRECT AT TIME OF PUBLICATION. CONTINUED PRODUCT
IMPROVEMENTS MAKE SPECIFICATIONS AND MEASUREMENTS SUBJECT TO CHANGE WITHOUT NOTICE.
APPROVED:
DRAWN:
PART NUMBER
SCALE:
REVISION
JL
07/25/18
6
1:8
TM
09/29/20
DRAWING TYPE: SIZE: A
5343
BY:
DHP
INSTALLATION
DATE:
DATE:
REV. ECN:
5595
CHK'D.:
MODEL(S)
1455 KLEPPE LANE
SPARKS, NEVADA 89431
(775) 359-4712 FAX (775) 359-7424
E-MAIL: HAWS@HAWSCO.COM
WEBSITE: WWW.HAWSCO.COM
DHP
ECN:
SHEET 6 OF 7
0510000866.D
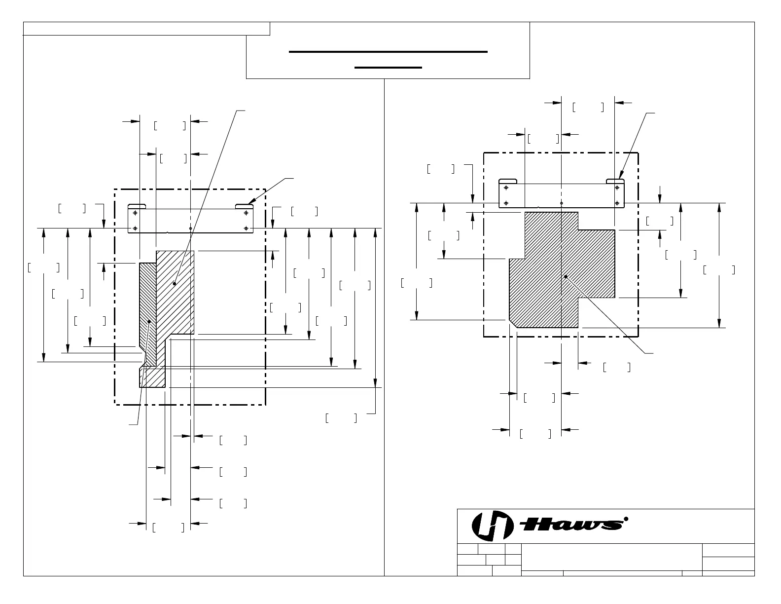
12XX ELECTRIC WATER COOLERS
PAGE 20 OF 21
RETROFIT INSTALLATION
DETAILS
PAGE 20 OF 21
A WALL RECEPTACLE
WITH A STANDARD SIZE
WALL PLATE SHOULD
BE LOCATED WITHIN
THIS AREA
HAWS COOLER
MOUNTING BRACKET
PERMISSIBLE ELECTRICAL
RECEPTACLE LOCATIONS
1"
26mm
6 1/4"
159mm
3"
77mm
10 5/8"
271mm
14"
356mm
13 1/8"
334mm
6"
152mm
4 1/8"
105mm
5 7/8"
149mm
5"
127mm
2X 1 7/8"
48mm
HAWS COOLER
MOUNTING BRACKET
PERMISSIBLE WATER
SUPPLY LOCATIONS
WATER SUPPLY VALVE IS
PERMISSIBLE IN THIS AREA FOR
BOTH FILTER AND UNFILTERED
MODELS. VALVE MAY PROTRUDE
2 3/4" MAXIMUM FOR WALL. LARGE
ESCUTCHEONS MAY NOT BE
FEASIBLE, DEPENDING ON VALVE
LOCATION.
WATER SUPPLY VALVE
IS PERMISSIBLE IN
THIS AREA FOR
UNFILTERED UNITS ONLY.
VALVE MAY PROTRUDE
2 3/4" MAXIMUM FROM
WALL. LARGE
ESCUTCHEONS
MAY NOT BE FEASIBLE,
DEPENDING ON VALVE
LOCATION.
2 7/8"
73mm
3/8"
10mm
5"
127mm
2X 5 3/4"
146mm
3 7/8"
98mm
2 1/2"
64mm
11 7/8"
302mm
15 1/2"
394mm
17 7/8"
455mm
3 7/8"
99mm
2 1/4"
57mm
12 1/2"
318mm
Bekijk gratis de handleiding van Haws 1201SFH, stel vragen en lees de antwoorden op veelvoorkomende problemen, of gebruik onze assistent om sneller informatie in de handleiding te vinden of uitleg te krijgen over specifieke functies.
Productinformatie
Merk | Haws |
Model | 1201SFH |
Categorie | Niet gecategoriseerd |
Taal | Nederlands |
Grootte | 3610 MB |