Goodwe SCU3000A handleiding
Handleiding
Je bekijkt pagina 16 van 35

03 Product Introduction
12
User Manual V1.2-2024-12-01
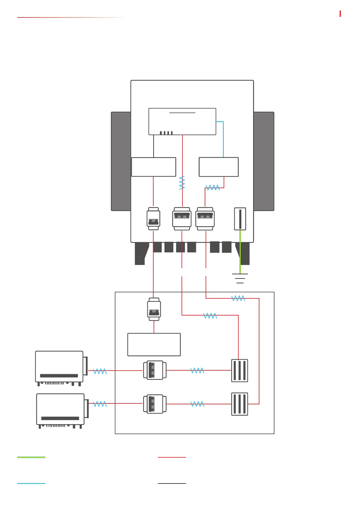
3.9 PLC Communication Networking
SCU supports PLC communication.
When connecting to a dual-winding transformer, only one PLC communication is required through the three-
phase AC wire.
When connecting to a split transformer, two PLC communications are required through the three-phase AC wire.
PE cable AC cable
Signal cable
Power cable
Transformer
(Double-split
scenario)
Three-phase circuit breaker
Station power
supply
Inverter
Inverter
Single
phase
switch
Grounding
bar
PLC CCO
Power module
Three-
phase
switch
EzLogger
SCU
Single
phase
circuit
breaker
Busbar
of LV
side
Busbar of LV side
MAIN-PLC
CAN-PLC
Bekijk gratis de handleiding van Goodwe SCU3000A, stel vragen en lees de antwoorden op veelvoorkomende problemen, of gebruik onze assistent om sneller informatie in de handleiding te vinden of uitleg te krijgen over specifieke functies.
Productinformatie
| Merk | Goodwe |
| Model | SCU3000A |
| Categorie | Niet gecategoriseerd |
| Taal | Nederlands |
| Grootte | 4714 MB |







