Goodwe SCU3000A handleiding
Handleiding
Je bekijkt pagina 15 van 35

11
03 Product Introduction
User Manual V1.2-2024-12-01
......
Grounding bar
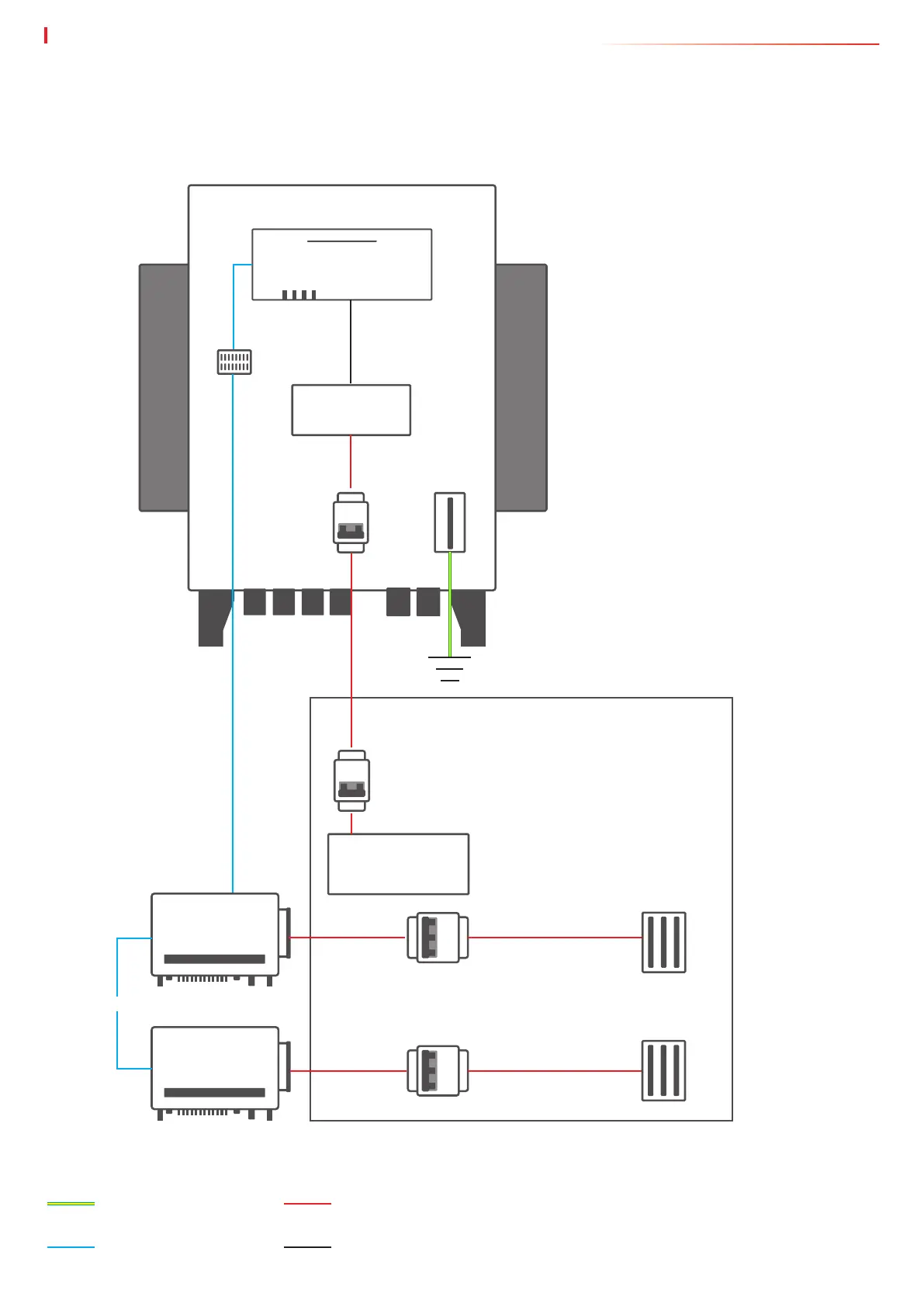
3.8 RS485 Communication Networking
Box-type transformer
The SCU supports connecting to inverters, transformers, environmental monitoring equipments, and other
equipments via the RS485 communication.
Three-phase circuit
breaker
Station power
supply
Single-phase circuit breaker
Inverter 1
Inverter N (2≤N≤20)
......
Single-phase
switch
RS485
terminal
block
Power module
EzLogger
PE cable AC cable
RS485 cable Power cable
SCU
Busbar of LV
side in MVS
Transformer
(Double-split
scenario)
Busbar of LV
side in MVS
Bekijk gratis de handleiding van Goodwe SCU3000A, stel vragen en lees de antwoorden op veelvoorkomende problemen, of gebruik onze assistent om sneller informatie in de handleiding te vinden of uitleg te krijgen over specifieke functies.
Productinformatie
| Merk | Goodwe |
| Model | SCU3000A |
| Categorie | Niet gecategoriseerd |
| Taal | Nederlands |
| Grootte | 4714 MB |







