Handleiding
Je bekijkt pagina 23 van 40

FR
- 23 -
1.-  L’entrée EMERGENCY IN a la plus haute priorité et atténue toutes les autres entrées lorsqu’elle reçoit 
un signal. 
2.-  L’entrée MICROPHONE DE ZONE a la priorité sur toutes les entrées, à l’exception de l’entrée 
EMERGENCY IN.  
3.-  L’entrée REMOTE WALL PANEL a la priorité sur toutes les entrées, à l’exception de l’entrée 
EMERGENCY IN et de l’entrée ZONE MICROPHONE.
4.-  L’entrée CH 1|PAGING MIC est prioritaire sur les entrées CH 2, CH 3,
CH 4,
CH 5, AUX 1-3 et sur
le reproducteur.  
5.-  Les entrées CH 2, CH 3, CH 4 et CH 5 sont prioritaires par rapport aux entrées AUX et au reproducteur.
6.-  Les entrées AUX et le lecteur n’ont aucune priorité sur tout autre signal.
PRIORITÉ 3ème THREAD
Pour la connexion à des atténuateurs à trois 
fi ls tels que le DOT-12TR. Lorsqu’un signal est 
présent à la broche 3WIRE, qui contient le signal 
audio de 100 V, il est transmis directement au 
haut-parleur sans aucune atténuation.
PRIORITÉ 24 V
Pour la connexion à des atténuateurs à quatre 
fi ls tels que le DOT-12TR. Cuando el PIN 3WIRE 
prporcione una señal de 24 V CC, la señal del 
amplifi cador que pasaba por el atenuador 
pasará directamente al altavoz sin ningún tipo 
de atenuación.
3-WIRE CONNECTION
MAX-480Z
DOT-12TR
4-WIRE CONNECTION
3WIRE
2.4WIRE
SP NR N.CN.C
SP COM
+
-
HOT
R
COM
ALTAVOZ
100 V
CH 2CH 1  CH 3 CH 4 CH 5
AUX 1 AUX 2 AUX 3 REC OUT PRE AMP
CHIME
CH 1
CH 1
REM. WALL PANEL
VOX 1 VOX 2
EMERGENCY IN
CHIME
CH 2-4
VOX 3
REMOTE MUTE
EMERGENCY IN | REM. MUTE
ZONE MICROPHONE
REMOTE WALL PANEL
1
2
3
CH 1 | PAGING MIC
CH 2 | 3 | 4 | 5
AUX | PLAYER
4
5
6
VOICE PRIORITY (VOX) FM ANTENNA
R
L
R
L
R
L
R
L
PRE OUT
AMP IN
ATTENUATOR PRIORITY
ZONE OUTPUT SPEAKER OUTPUT
ALL ZONES: 480 W RMS (MAX)
EACH ZONE: 240 W RMS (MAX)
TONE CONTROL
480 W RMS
COM
4 Ω
70 V
100 V
~115 V AC, 50/60 Hz, FUSE: T8 A 250 V
~230 V AC, 50/60 Hz, FUSE: T4 A 250 V
POWER CONSUMPTION: 345 W
BLUETOOTH® ANT.
AC SELECT
ZONE MICROPHONE
RS-485 + AUDIO
COM
100 V
LINE
CH 2-4 CH 2-4 CH 2-4
CHIME
VOX 2
PHANTOM
48 V
LINE
MIC
CHIME
CHIME CHIME CHIME
VOX 3
PHANTOM
48 V
LINE
MIC
CHIME
VOX 3
PHANTOM
48 V
LINE
MIC
CHIME
PHANTOM
48 V
LINE
MIC
CHIME
BASS TREBLE
3 WIRE 24 V
VOX 3
PA MIXING AMPLIFIER
MAX-240Z
100 V
ZONE 4 ZONE 3 ZONE 2 ZONE 1
COM
100 V
COM
100 V
COM
100 V
COM
100 V
ZONE 5
COM
100 V
CH 2-4
CHIME
VOX 3
PHANTOM
48 V
LINE
MIC
CHIME
3WIRE
2.4WIRE
SP NR N.CN.C
SP COM
+
-
HOT
R
COM
2.4WIRE
SP
COM
+
-
HOT
COM
MAX-480Z
DOT-12TR
3WIRE
2.4WIRE
SP NR N.CN.C
SP COM
+
-
HOT
R
COM
ALTAVOZ
100 V
3WIRE
SP NR N.CN.C
R
ZONE 1
COM
100 V
CHIME
CH 1
CH 1
CH 2
CH 1 
REM. WALL PANEL
CH 3
CH 4
CH 5
VOX 1
VOX 2
EMERGENCY IN
CHIME
CH 2-5
VOX 3
REMOTE MUTE
EMERGENCY IN | REM. MUTE
ZONE MICROPHONE
REMOTE WALL PANEL
1
2
3
CH 1 | PAGING MIC
CH 2 | 3 | 4 | 5
AUX | PLAYER
4
5
6
AUX 1
AUX 2
AUX 3
REC OUT
PRE AMP
VOICE PRIORITY (VOX)
FM ANTENNA
R
L
R
L
R
L
R
L
PRE OUT
AMP IN
ATTENUATOR PRIORITY
ZONE OUTPUT
SPEAKER OUTPUT
ALL ZONES: 480 W RMS (MAX)
EACH ZONE: 240 W RMS (MAX)
TONE CONTROL
480 W RMS
COM
4 
Ω
70 V
100 V
~
115 V AC, 50/60 Hz, FUSE: T12 A 250 V
~
230 V AC, 50/60 Hz, FUSE: T6.3 A 250 V
POWER CONSUMPTION: 680 W
BLUETOOTH® ANT.
AC SELECT
ZONE MICROPHONE
RS-485 + AUDIO
COM
100 V
LINE
CH 2-5
CH 2-5
CH 2-5
CHIME
VOX 2
PHANTOM
48 V
LINE
MIC
CHIME
CHIME
CHIME
CHIME
VOX 3
PHANTOM
48 V
LINE
MIC
CHIME
VOX 3
PHANTOM
48 V
LINE
MIC
CHIME
CH 2-5
CHIME
VOX 3
PHANTOM
48 V
LINE
MIC
CHIME
PHANTOM
48 V
LINE
MIC
CHIME
BASS
TREBLE
3 WIRE
24 V
VOX 3
PA MIXING AMPLIFIER
MAX-480Z
100 V
ZONE 4
ZONE 3
ZONE 2
ZONE 1
COM
100 V
COM
100 V
COM
100 V
COM
100 V
ZONE 5
COM
100 V
CH 2CH 1  CH 3 CH 4 CH 5
AUX 1 AUX 2 AUX 3 REC OUT PRE AMP
CHIME
CH 1
CH 1
REM. WALL PANEL
VOX 1 VOX 2
EMERGENCY IN
CHIME
CH 2-4
VOX 3
REMOTE MUTE
EMERGENCY IN | REM. MUTE
ZONE MICROPHONE
REMOTE WALL PANEL
1
2
3
CH 1 | PAGING MIC
CH 2 | 3 | 4 | 5
AUX | PLAYER
4
5
6
VOICE PRIORITY (VOX) FM ANTENNA
R
L
R
L
R
L
R
L
PRE OUT
AMP IN
ATTENUATOR PRIORITY
ZONE OUTPUT SPEAKER OUTPUT
ALL ZONES: 480 W RMS (MAX)
EACH ZONE: 240 W RMS (MAX)
TONE CONTROL
480 W RMS
COM
4 Ω
70 V
100 V
~115 V AC, 50/60 Hz, FUSE: T8 A 250 V
~230 V AC, 50/60 Hz, FUSE: T4 A 250 V
POWER CONSUMPTION: 345 W
BLUETOOTH® ANT.
AC SELECT
ZONE MICROPHONE
RS-485 + AUDIO
COM
100 V
LINE
CH 2-4 CH 2-4 CH 2-4
CHIME
VOX 2
PHANTOM
48 V
LINE
MIC
CHIME
CHIME CHIME CHIME
VOX 3
PHANTOM
48 V
LINE
MIC
CHIME
VOX 3
PHANTOM
48 V
LINE
MIC
CHIME
PHANTOM
48 V
LINE
MIC
CHIME
BASS TREBLE
3 WIRE 24 V
VOX 3
PA MIXING AMPLIFIER
MAX-240Z
100 V
ZONE 4 ZONE 3 ZONE 2 ZONE 1
COM
100 V
COM
100 V
COM
100 V
COM
100 V
ZONE 5
COM
100 V
CH 2-4
CHIME
VOX 3
PHANTOM
48 V
LINE
MIC
CHIME
EMERGENCY IN | REM. MUTE
ZONE MICROPHONE
REMOTE WALL PANEL
1
2
3
CH 1 | PAGING MIC
CH2 | CH3 | CH 4
AUX | PLAYER
4
5
6
VOICE PRIORITY (VOX)
FM ANTENNA
ATTENUATOR PRIORITY
ZONE OUTPUT
SPEAKER OUTPUT
ALL ZONES: 480 W RMS (MAX)
EACH ZONE: 240 W RMS (MAX)
TONE CONTROL
480 W RMS
COM
4 
Ω
70 V
100 V
BASS
TREBLE
3 WIRE
24 V
100 V
ZONE 4
ZONE 3
ZONE 2
ZONE 1
COM
100 V
COM
100 V
COM
100 V
COM
100 V
ZONE 5
COM
100 V
ZONE 1
COM
100 V
3 WIRE
100 V
24 V
3WIRE
2.4WIRE
SP
N
R
N.C
N.C
SP
COM
+
-
HOT
R
COM
CHIME
CH 1
CH 1
CH 2
CH 1 
REM. WALL PANEL
CH 3
CH 4
CH 5
VOX 1
VOX 2
EMERGENCY IN
CHIME
CH 2-5
VOX 3
REMOTE MUTE
EMERGENCY IN | REM. MUTE
ZONE MICROPHONE
REMOTE WALL PANEL
1
2
3
CH 1 | PAGING MIC
CH 2 | 3 | 4 | 5
AUX | PLAYER
4
5
6
AUX 1
AUX 2
AUX 3
REC OUT
PRE AMP
VOICE PRIORITY (VOX)
FM ANTENNA
R
L
R
L
R
L
R
L
PRE OUT
AMP IN
ATTENUATOR PRIORITY
ZONE OUTPUT
SPEAKER OUTPUT
ALL ZONES: 480 W RMS (MAX)
EACH ZONE: 240 W RMS (MAX)
TONE CONTROL
480 W RMS
COM
4 
Ω
70 V
100 V
~
115 V AC, 50/60 Hz, FUSE: T12 A 250 V
~
230 V AC, 50/60 Hz, FUSE: T6.3 A 250 V
POWER CONSUMPTION: 680 W
BLUETOOTH® ANT.
AC SELECT
ZONE MICROPHONE
RS-485 + AUDIO
COM
100 V
LINE
CH 2-5
CH 2-5
CH 2-5
CHIME
VOX 2
PHANTOM
48 V
LINE
MIC
CHIME
CHIME
CHIME
CHIME
VOX 3
PHANTOM
48 V
LINE
MIC
CHIME
VOX 3
PHANTOM
48 V
LINE
MIC
CHIME
CH 2-5
CHIME
VOX 3
PHANTOM
48 V
LINE
MIC
CHIME
PHANTOM
48 V
LINE
MIC
CHIME
BASS
TREBLE
3 WIRE
24 V
VOX 3
PA MIXING AMPLIFIER
MAX-480Z
100 V
ZONE 4
ZONE 3
ZONE 2
ZONE 1
COM
100 V
COM
100 V
COM
100 V
COM
100 V
ZONE 5
COM
100 V
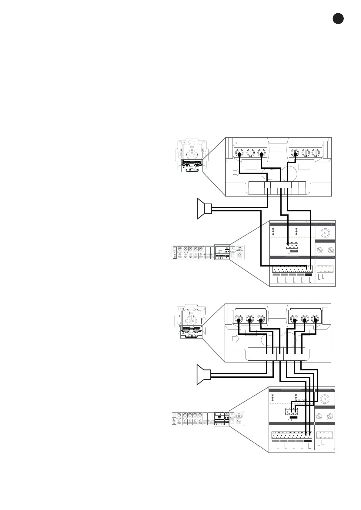
3-WIRE CONNECTION
MAX-480Z
DOT-12TR
4-WIRE CONNECTION
3WIRE
2.4WIRE
SP NR N.CN.C
SP COM
+
-
HOT
R
COM
ALTAVOZ
100 V
CH 2CH 1  CH 3 CH 4 CH 5
AUX 1 AUX 2 AUX 3 REC OUT PRE AMP
CHIME
CH 1
CH 1
REM. WALL PANEL
VOX 1 VOX 2
EMERGENCY IN
CHIME
CH 2-4
VOX 3
REMOTE MUTE
EMERGENCY IN | REM. MUTE
ZONE MICROPHONE
REMOTE WALL PANEL
1
2
3
CH 1 | PAGING MIC
CH 2 | 3 | 4 | 5
AUX | PLAYER
4
5
6
VOICE PRIORITY (VOX) FM ANTENNA
R
L
R
L
R
L
R
L
PRE OUT
AMP IN
ATTENUATOR PRIORITY
ZONE OUTPUT SPEAKER OUTPUT
ALL ZONES: 480 W RMS (MAX)
EACH ZONE: 240 W RMS (MAX)
TONE CONTROL
480 W RMS
COM
4 Ω
70 V
100 V
~115 V AC, 50/60 Hz, FUSE: T8 A 250 V
~230 V AC, 50/60 Hz, FUSE: T4 A 250 V
POWER CONSUMPTION: 345 W
BLUETOOTH® ANT.
AC SELECT
ZONE MICROPHONE
RS-485 + AUDIO
COM
100 V
LINE
CH 2-4 CH 2-4 CH 2-4
CHIME
VOX 2
PHANTOM
48 V
LINE
MIC
CHIME
CHIME CHIME CHIME
VOX 3
PHANTOM
48 V
LINE
MIC
CHIME
VOX 3
PHANTOM
48 V
LINE
MIC
CHIME
PHANTOM
48 V
LINE
MIC
CHIME
BASS TREBLE
3 WIRE 24 V
VOX 3
PA MIXING AMPLIFIER
MAX-240Z
100 V
ZONE 4 ZONE 3 ZONE 2 ZONE 1
COM
100 V
COM
100 V
COM
100 V
COM
100 V
ZONE 5
COM
100 V
CH 2-4
CHIME
VOX 3
PHANTOM
48 V
LINE
MIC
CHIME
EMERGENCY IN | REM. MUTE
ZONE MICROPHONE
REMOTE WALL PANEL
1
2
3
CH 1 | PAGING MIC
CH2 | CH3 | CH 4
AUX | PLAYER
4
5
6
VOICE PRIORITY (VOX)
FM ANTENNA
ATTENUATOR PRIORITY
ZONE OUTPUT
SPEAKER OUTPUT
ALL ZONES: 480 W RMS (MAX)
EACH ZONE: 240 W RMS (MAX)
TONE CONTROL
480 W RMS
COM
4 
Ω
70 V
100 V
BASS
TREBLE
3 WIRE
24 V
100 V
ZONE 4
ZONE 3
ZONE 2
ZONE 1
COM
100 V
COM
100 V
COM
100 V
COM
100 V
ZONE 5
COM
100 V
3WIRE
2.4WIRE
SP NR N.CN.C
SP COM
+
-
HOT
R
COM
MAX-480Z
DOT-12TR
3WIRE
2.4WIRE
SP NR N.CN.C
SP COM
+
-
HOT
R
COM
ALTAVOZ
100 V
3WIRE
SP NR N.CN.C
R
ZONE 1
COM
100 V
CH 2CH 1  CH 3 CH 4 CH 5
AUX 1 AUX 2 AUX 3 REC OUT PRE AMP
CHIME
CH 1
CH 1
REM. WALL PANEL
VOX 1 VOX 2
EMERGENCY IN
CHIME
CH 2-4
VOX 3
REMOTE MUTE
EMERGENCY IN | REM. MUTE
ZONE MICROPHONE
REMOTE WALL PANEL
1
2
3
CH 1 | PAGING MIC
CH 2 | 3 | 4 | 5
AUX | PLAYER
4
5
6
VOICE PRIORITY (VOX) FM ANTENNA
R
L
R
L
R
L
R
L
PRE OUT
AMP IN
ATTENUATOR PRIORITY
ZONE OUTPUT SPEAKER OUTPUT
ALL ZONES: 480 W RMS (MAX)
EACH ZONE: 240 W RMS (MAX)
TONE CONTROL
480 W RMS
COM
4 Ω
70 V
100 V
~115 V AC, 50/60 Hz, FUSE: T8 A 250 V
~230 V AC, 50/60 Hz, FUSE: T4 A 250 V
POWER CONSUMPTION: 345 W
BLUETOOTH® ANT.
AC SELECT
ZONE MICROPHONE
RS-485 + AUDIO
COM
100 V
LINE
CH 2-4 CH 2-4 CH 2-4
CHIME
VOX 2
PHANTOM
48 V
LINE
MIC
CHIME
CHIME CHIME CHIME
VOX 3
PHANTOM
48 V
LINE
MIC
CHIME
VOX 3
PHANTOM
48 V
LINE
MIC
CHIME
PHANTOM
48 V
LINE
MIC
CHIME
BASS TREBLE
3 WIRE 24 V
VOX 3
PA MIXING AMPLIFIER
MAX-240Z
100 V
ZONE 4 ZONE 3 ZONE 2 ZONE 1
COM
100 V
COM
100 V
COM
100 V
COM
100 V
ZONE 5
COM
100 V
CH 2-4
CHIME
VOX 3
PHANTOM
48 V
LINE
MIC
CHIME
ZONE 1
COM
100 V
3 WIRE
100 V
24 V
Bekijk gratis de handleiding van FoneStar MAX-480Z, stel vragen en lees de antwoorden op veelvoorkomende problemen, of gebruik onze assistent om sneller informatie in de handleiding te vinden of uitleg te krijgen over specifieke functies.
Productinformatie
| Merk | FoneStar | 
| Model | MAX-480Z | 
| Categorie | Speaker | 
| Taal | Nederlands | 
| Grootte | 6915 MB | 



