Festo ELGS-BS-KF-32-500-8P-ST-M-H1-PLK-AA handleiding
Handleiding
Je bekijkt pagina 21 van 28

Festo — ELGS-BS — 2023-11e
Operation
21
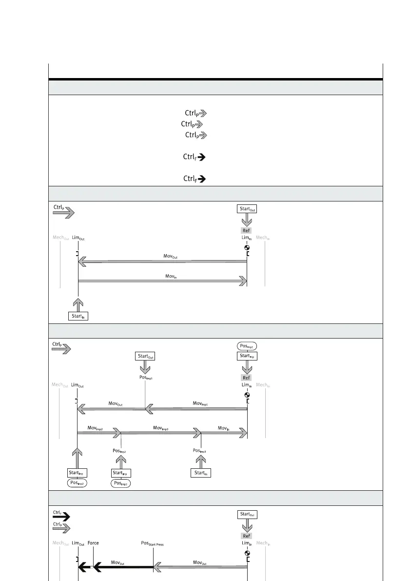
Point-to-point operation
Sequence
The diagrams show the movements in point-to-point operation
–
Mov
Out
: position-controlled movement to the end position "Lim
Out
"
–
Mov
In
: position-controlled movement to the end position "Lim
In
"
–
Mov
Imp
: position-controlled movement to the intermediate position "Pos
Imp
"
–
Point-to-point operation with press function, from Start Press Position "Pos
Start Press
"
–
Mov
Out
: force-controlled movement until the parameterised force or torque setpoint
value "Force" is reached or to the end position "Lim
Out
"
– Mov
Imp
: force-controlled movement to the intermediate position "Pos
Imp
" (IO-Link only)
Simple point-to-point operation
Simple point-to-point operation with intermediate position (IO-Link only)
Point-to-point operation with press function
Point-to-point operation with press function and intermediate position (IO-Link only)
1) 10, 20, ..., 100% of maximum value
2) Only required for point-to-point operation with press function
3) Reset at every referencing
4) Reference point: reference end position "Ref"
5) The output stage remains active, the drive decelerates to standstill and remains stationary position-controlled.
6) In error-free status the power stage is switched off after 3s, the drive coasts to a standstill and remains stationary uncontrolled.
Tab. 6: Parameterising and controlling point-to-point operation
Bekijk gratis de handleiding van Festo ELGS-BS-KF-32-500-8P-ST-M-H1-PLK-AA, stel vragen en lees de antwoorden op veelvoorkomende problemen, of gebruik onze assistent om sneller informatie in de handleiding te vinden of uitleg te krijgen over specifieke functies.
Productinformatie
Merk | Festo |
Model | ELGS-BS-KF-32-500-8P-ST-M-H1-PLK-AA |
Categorie | Niet gecategoriseerd |
Taal | Nederlands |
Grootte | 2549 MB |