Fantini Cosmi EV200RL handleiding

28 pagina's
PDF beschikbaar

Handleiding

Je bekijkt pagina 11 van 28
11
EV200RL
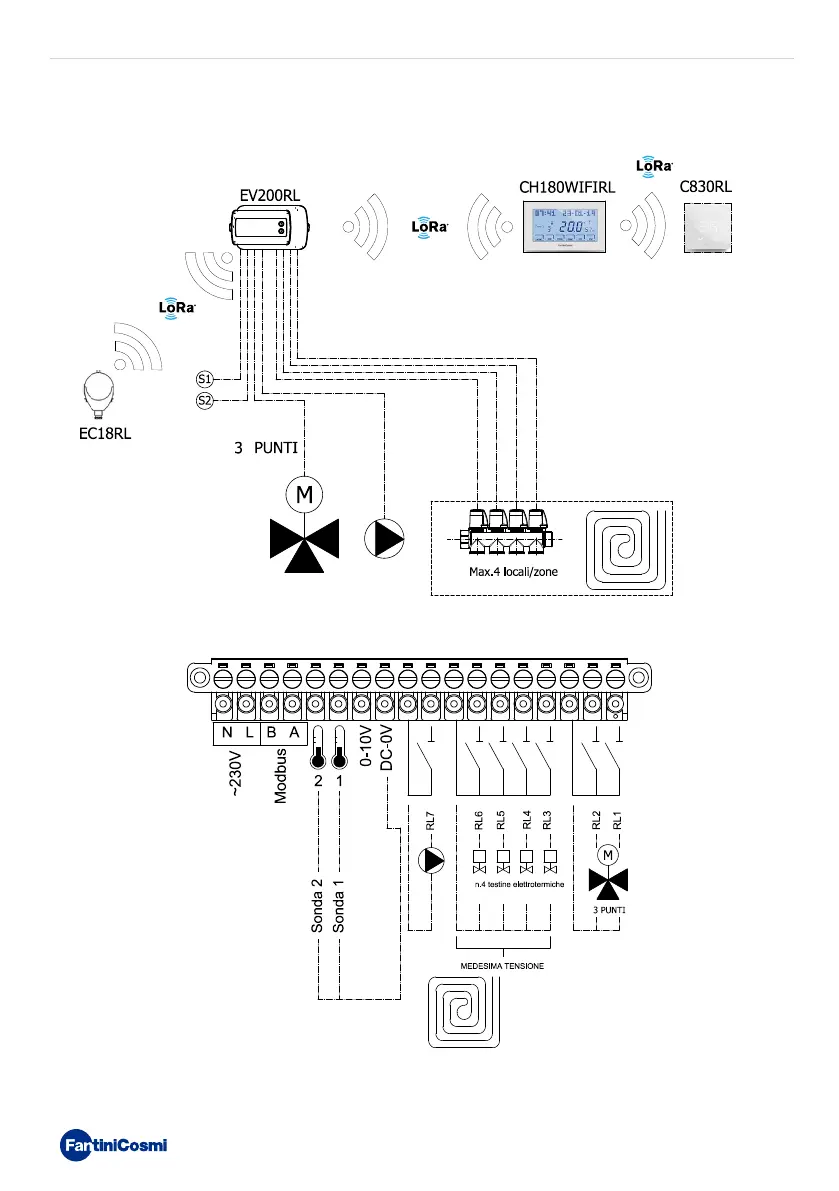
REGOLAZIONE CLIMATICA DI IMPIANTO DI RISCALDAMENTO/RAFFRESCAMENTO CON VALVOLA MISCELATRICE A 3 PUNTI, CIRCOLATORE + 5 ZONE
CLIMATICHE AMBIENTE:

Bekijk gratis de handleiding van Fantini Cosmi EV200RL, stel vragen en lees de antwoorden op veelvoorkomende problemen, of gebruik onze assistent om sneller informatie in de handleiding te vinden of uitleg te krijgen over specifieke functies.

Productinformatie

MerkFantini Cosmi
ModelEV200RL
CategorieThermostaat
TaalNederlands
Grootte2775 MB