Fantini Cosmi EV200RL handleiding

28 pagina's
PDF beschikbaar

Handleiding

Je bekijkt pagina 10 van 28
10
EV200RL
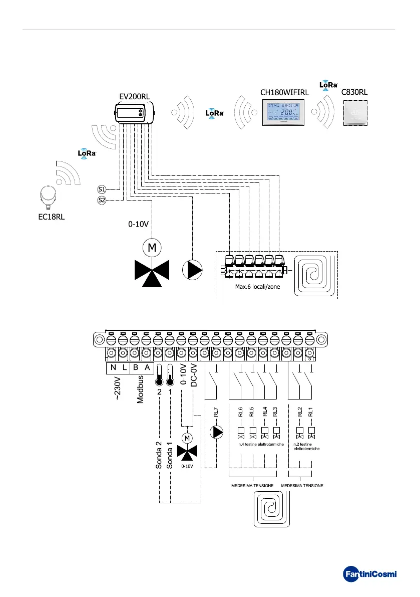
REGOLAZIONE CLIMATICA DI IMPIANTO DI RISCALDAMENTO/RAFFREDDAMENTO A PANNELLI RADIANTI CON VALVOLA MISCELATRICE 0/10V,
CIRCOLATORE, COLLETTORE DI DISTRIBUZIONE FINO A 6 ZONE (TERMOSTATI AMBIENTE C830RL):

Bekijk gratis de handleiding van Fantini Cosmi EV200RL, stel vragen en lees de antwoorden op veelvoorkomende problemen, of gebruik onze assistent om sneller informatie in de handleiding te vinden of uitleg te krijgen over specifieke functies.

Productinformatie

MerkFantini Cosmi
ModelEV200RL
CategorieThermostaat
TaalNederlands
Grootte2775 MB