Extron MLC Plus 84 EU handleiding
Handleiding
Je bekijkt pagina 26 van 58

MLC Plus 84 Series • Hardware Features and Installation 18
Rear and Side Panel Features and Cabling
RESET
LAN/PoE
LAN/PoE
Tx Rx
G
Tx Rx
G
12
C
GCV
GS
POWER
12V
0.4A MAX
COM 1
COM 2
VOL
IR
GIN
D IN
RELAYS
POWER
12V
0.4A MAX
Tx Rx
G
Tx Rx
G
12
C
GCV
GS
COM 1 COM 2 VOLIR
G
IN
D IN RELAYS
MLC Plus 84 EU/MK
Rear Panel
MLC Plus 84 D
Rear Panel
A
AA
A
A
A
A
A B
BB
B
B
B
B
B C
CC
C
C
C
C
C D
DD
D
D
D
D
D E
EE
E
E
E
E
E
H
HH
H
H
H
H
H
I
II
I
I
I
I
I
J
JJ
J
J
J
J
J
F
FF
F
F
F
F
F
MLC Plus 84 EU
Right Side
MLC Plus 84 D
Right Side
G
GG
G
G
G
G
G
G
GG
G
G
G
G
G
MAC: 00-05-A6-XX-XX-XX
S/N: ####### E######
00-05-A6-XX-XX-XX
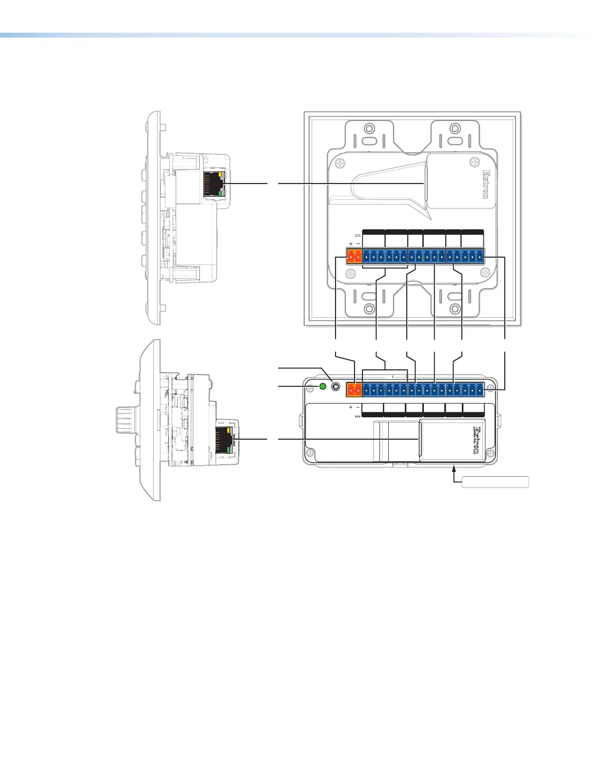
Figure 18. MLCPlus84Series Side (left) and Rear Panel (right) Features
A
Power input connector, page19
F
Relay ports, page25
B
COM (RS-232) ports, page21
G
LAN and PoE port and LEDs (Ethernet), page20
c
IR output port, page22
H
MAC address, page20
D
Volume control port, page23
I
Reset LED (EU and MK models), page34
E
Digital input port, page24
J
Reset button (EU and MK models), page34
Bekijk gratis de handleiding van Extron MLC Plus 84 EU, stel vragen en lees de antwoorden op veelvoorkomende problemen, of gebruik onze assistent om sneller informatie in de handleiding te vinden of uitleg te krijgen over specifieke functies.
Productinformatie
Merk | Extron |
Model | MLC Plus 84 EU |
Categorie | Niet gecategoriseerd |
Taal | Nederlands |
Grootte | 9928 MB |