Eura ADP-26A3 handleiding
Handleiding
Je bekijkt pagina 4 van 32

4
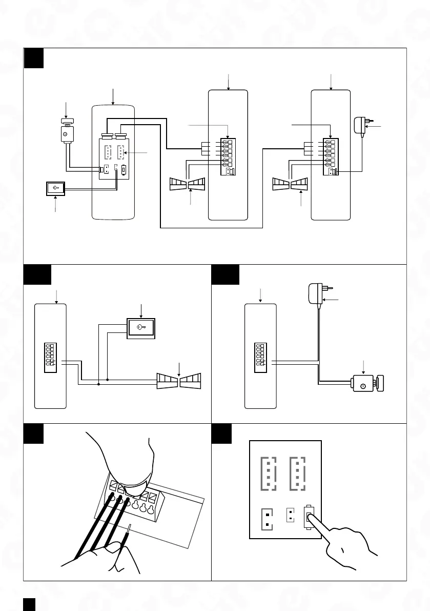
II. SCHEMATY INSTALACYJNE / INSTALLATION DIAGRAMS / INSTALLATIONSSCHEMAS / SCHÉMAS D’INSTALLA-
TION / SCHEMI DI INSTALLAZIONE / ESQUEMAS DE INSTALACIÓN
A
1 2 3 456
JW1
J6 J1
S1
JW2
*
*
*
1 2 3 4 56
*
B1
C
D
B2
6
5
4
3
2
1
1
2 3 4 5 6
*
*
1
2 3 4 5 6
*
*
JW1JW2
J6 J1
S1
N.O.
N.O.
1
2
3
4
5
5
6
10
7
2
8
9
1
2
3
1
3
A
G
D
V
A
G
D
V
A
G
D
V
A
G
D
V
A
G
D
V
A
G
D
V
Bekijk gratis de handleiding van Eura ADP-26A3, stel vragen en lees de antwoorden op veelvoorkomende problemen, of gebruik onze assistent om sneller informatie in de handleiding te vinden of uitleg te krijgen over specifieke functies.
Productinformatie
| Merk | Eura |
| Model | ADP-26A3 |
| Categorie | Niet gecategoriseerd |
| Taal | Nederlands |
| Grootte | 5794 MB |

