Elation Lumina Strip handleiding

13 pagina's
PDF beschikbaar

Handleiding

Je bekijkt pagina 6 van 13
5
Lumina Strip
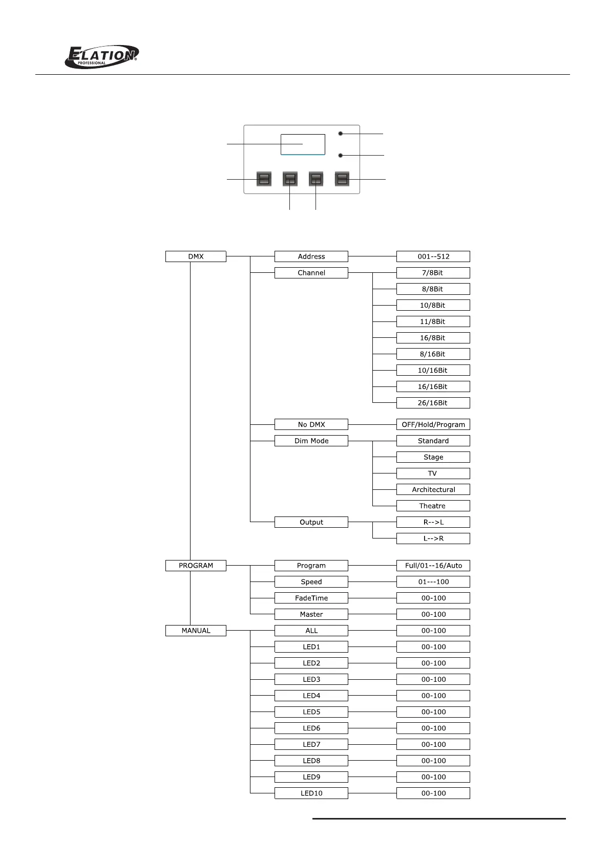
LCD Display / Menu System
MODE
MENU
RDM/D MX
POWER
UP
DOWN
LCD Display
Mode Key
Menu Key Up Key
Power indicator
RDM/DMX indicator
Down Key
Lumina Matrix LED Menu Tree

Bekijk gratis de handleiding van Elation Lumina Strip, stel vragen en lees de antwoorden op veelvoorkomende problemen, of gebruik onze assistent om sneller informatie in de handleiding te vinden of uitleg te krijgen over specifieke functies.

Productinformatie

MerkElation
ModelLumina Strip
CategorieVerlichting
TaalNederlands
Grootte2105 MB