Eizo DuraVision DX0231-IP handleiding
Handleiding
Je bekijkt pagina 16 van 51

2 | 设定
16
2.2.4 Stream
设定流以匹配本产品的显示性能。
• 检查流是否已启用。
• 使用“Panasonic/i-PRO”协议时,它默认连接到流 2。
注
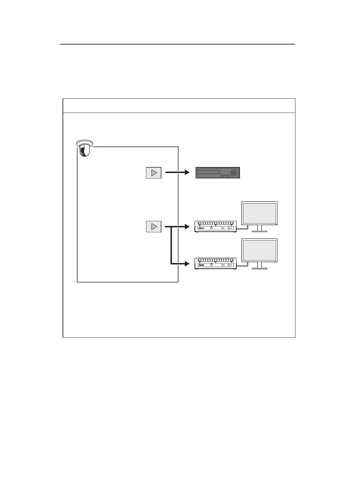
摄像机流
通常,摄像机支持多个流,可以同时传输不同分辨率和帧速率的视频。
录像机
流 1
压缩格式:H.265
分辨率:1920 x 1080
帧速率:30 Hz
比特率:4096 kbps
流 2
压缩格式:H.264
分辨率:1280 x 720
帧速率:20 Hz
比特率:4096 kbps
本产品
显示器
• 通过将用于录制的流 1 和用于观看实时图像的流 2 分开,您可以防止直播设定的更改影
响其他设备。
• 使用“Panasonic/i-PRO”协议注册摄像机时,它默认连接到流 2。
• 可以通过手动注册来更改要连接的流(请参照3.4 手动注册摄像机 [}33])。
Bekijk gratis de handleiding van Eizo DuraVision DX0231-IP, stel vragen en lees de antwoorden op veelvoorkomende problemen, of gebruik onze assistent om sneller informatie in de handleiding te vinden of uitleg te krijgen over specifieke functies.
Productinformatie
Merk | Eizo |
Model | DuraVision DX0231-IP |
Categorie | Niet gecategoriseerd |
Taal | Nederlands |
Grootte | 5664 MB |