Handleiding
Je bekijkt pagina 10 van 28

10
Ventilation
Caution:
The heater must only be used in
well ventilated areas (heater is
not intended for use in enclosed
spaces). The continuous
presence of persons in these
rooms is forbidden. If more than
one heater is used in one room,
be sure to provide for
correspondingly more fresh air
circulation.
Maintenance
Always first unplug the heater
before any maintenance or
repairs.
Disconnect the gas hose from
the gas cylinder.
Regularly check that the gas
hose and its screw
connections are sealed. Only
original replacement parts and
hoses must be used. Hoses
must meet the specifications in
DIN 4815 Section 2.
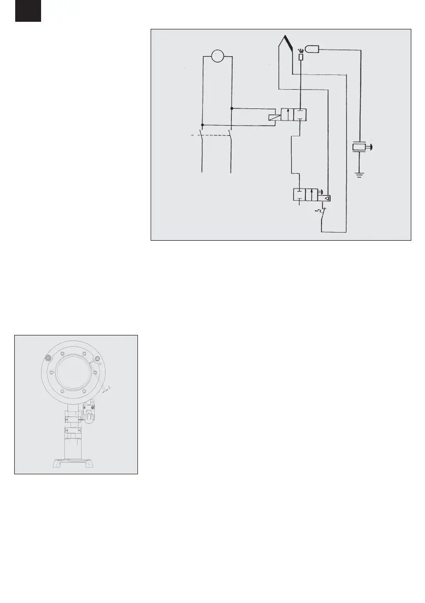
Adjustment of the ignition
electrode should be checked
as shown in the adjacent
diagram.
Q1 On/Off switch
F1 Safety thermostat
M1 Fan motor
Y1 Thermoelectric ignition fuse
Y2 Safety solenoid valve
B1 Thermoelement
B2 Piezo ignition
B3 Ignition electrode
B4 Burner
GB
M
M 1
B 1
B 4
B 3
B 2
Y 2
Y 1
F 1
L 1
N1
Q 1
E
v
/W
Bekijk gratis de handleiding van Einhell HGG 120 Niro, stel vragen en lees de antwoorden op veelvoorkomende problemen, of gebruik onze assistent om sneller informatie in de handleiding te vinden of uitleg te krijgen over specifieke functies.
Productinformatie
Merk | Einhell |
Model | HGG 120 Niro |
Categorie | Heater |
Taal | Nederlands |
Grootte | 3186 MB |