Handleiding
Je bekijkt pagina 5 van 22

ADLN-I USER MANUAL
3
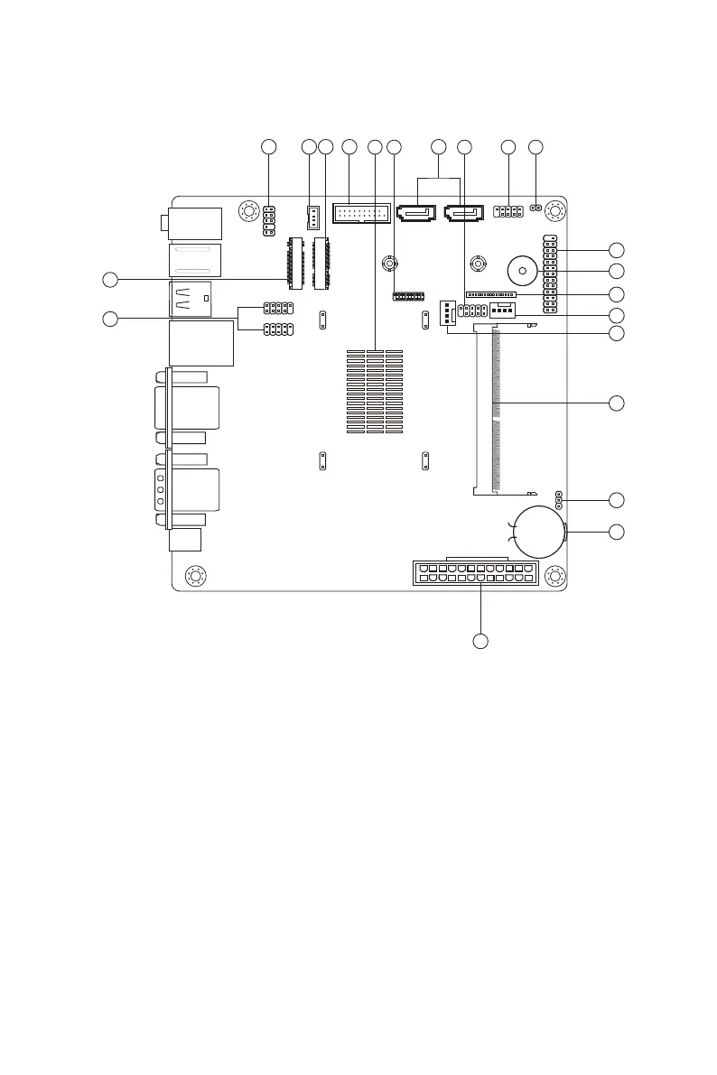
Motherboard Components
CASE
CLR_CMOS
DIMM
SoC
M2_WIFI
M2_1
SYS_FAN
SATA_PWR
CPU_FAN
COM2
SATA3_1SATA3_2
F_PANEL
F_USB1
F_USB2
TPM
JH2
AUDIO
PSKBM
ATX_POWER (Opt.)
DC_IN
(Opt.)
BT
USBLAN
USB3R
VGA
DP
COM
HDMI
USB3F
BZ1
LPT
F_AUDIO
SPKR
JH3
JH1 JH4
S
T
1
2
0
5
119
20
21
18
3
15
7
8
9
10
12
13
14
11
2 4 5 6
16
17
Bekijk gratis de handleiding van ECS ADLN-I, stel vragen en lees de antwoorden op veelvoorkomende problemen, of gebruik onze assistent om sneller informatie in de handleiding te vinden of uitleg te krijgen over specifieke functies.
Productinformatie
| Merk | ECS |
| Model | ADLN-I |
| Categorie | Lens |
| Taal | Nederlands |
| Grootte | 4278 MB |