Deye BOS-G Pro handleiding

59 pagina's
PDF beschikbaar

Handleiding

Je bekijkt pagina 39 van 59
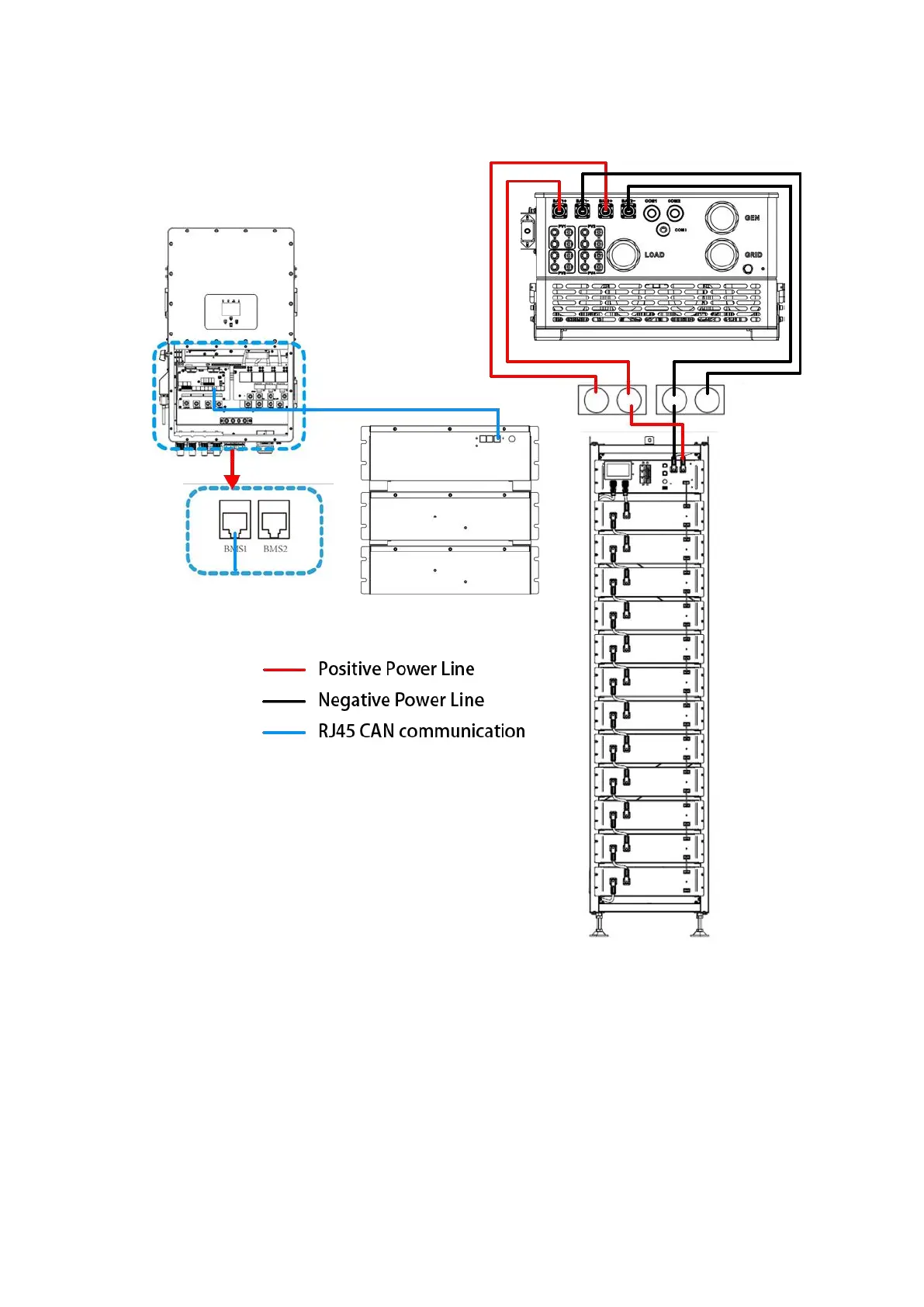
36
Single battery cluster connected to inverter

Bekijk gratis de handleiding van Deye BOS-G Pro, stel vragen en lees de antwoorden op veelvoorkomende problemen, of gebruik onze assistent om sneller informatie in de handleiding te vinden of uitleg te krijgen over specifieke functies.

Productinformatie

MerkDeye
ModelBOS-G Pro
CategorieNiet gecategoriseerd
TaalNederlands
Grootte13342 MB