Handleiding
Je bekijkt pagina 59 van 60

5959
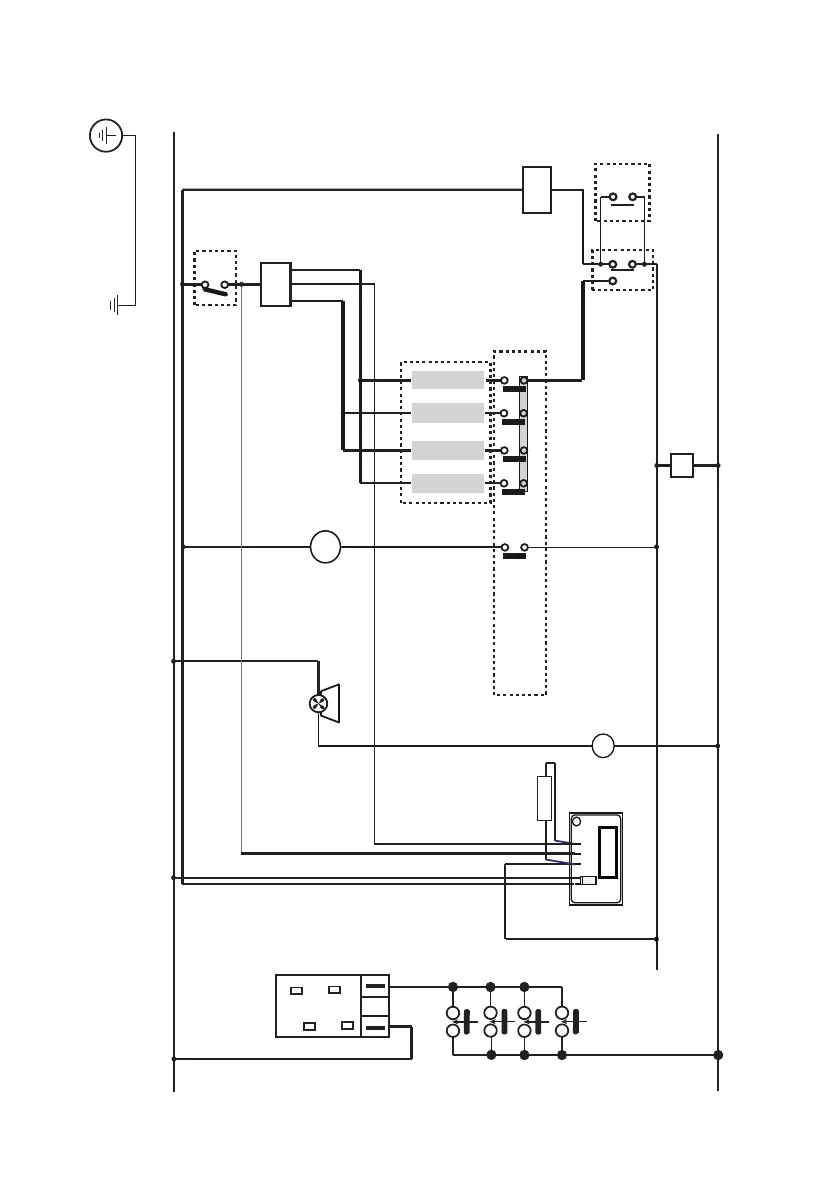
ELECTRIC DIAGRAM
Models PRO66MXLPZ, PRO66MALPZ
Figure 51
L
N
10
10a
2
2a
4a
4
3
3a
5 6
5a 6a
11
11a
BOTTOM
GRILL
TOP
CIRCULAR
Door
switch
Security thermal overload
1 1A
J7J8 N
470 k Ω
Oven programmer
Oven
lamp
Oven
thermostat
Oven switch
Thermal
overload
Oven
fan
motor
Cooling
fan motor
Heating
elements
Earth connection
Ignition
switches
Ignition
coil
Bekijk gratis de handleiding van Delonghi PRO 66 MXL PZ, stel vragen en lees de antwoorden op veelvoorkomende problemen, of gebruik onze assistent om sneller informatie in de handleiding te vinden of uitleg te krijgen over specifieke functies.
Productinformatie
Merk | Delonghi |
Model | PRO 66 MXL PZ |
Categorie | Fornuis |
Taal | Nederlands |
Grootte | 5778 MB |