Delonghi PRO 66 MXL PZ handleiding

60 pagina's
PDF beschikbaar

Handleiding

Je bekijkt pagina 58 van 60
5858
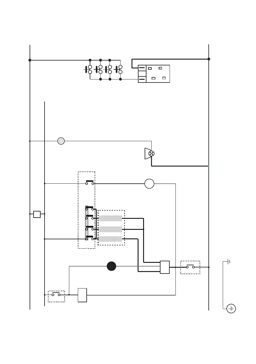
ELECTRIC DIAGRAM
Model DMX64LDC
L
N
1
1a
2
2a
6
6a4a
4
3
3a
5
5a
9
9a
BOTTOM
GRILL
TOP
Oven
lamp
Oven
thermostat
Oven switch
Thermal overload
Thermal
overload
Oven
fan
motor
Cooling
fan motor
Heating
elements
Earth connection
Thermostat
pilot lamp
Ignition
switches
Ignition
coil
Figure 50

Bekijk gratis de handleiding van Delonghi PRO 66 MXL PZ, stel vragen en lees de antwoorden op veelvoorkomende problemen, of gebruik onze assistent om sneller informatie in de handleiding te vinden of uitleg te krijgen over specifieke functies.

Productinformatie

MerkDelonghi
ModelPRO 66 MXL PZ
CategorieFornuis
TaalNederlands
Grootte5778 MB