Dantherm HCV 700 handleiding

60 pagina's
PDF beschikbaar

Handleiding

Je bekijkt pagina 54 van 60
54
INSTALLATION & SERVICE MANUAL FOR PROFESSIONALS
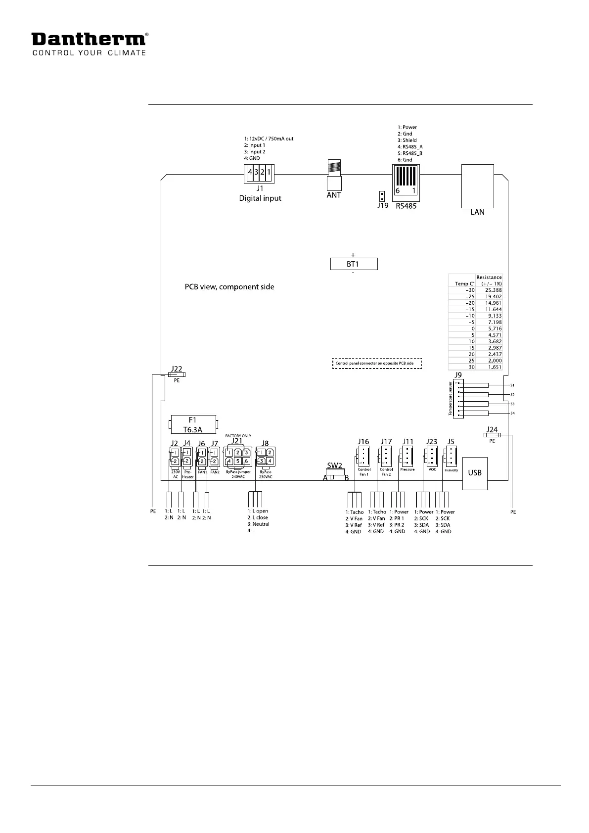
Appendix: Illustrations
Illustrations
This illustration shows the wiring diagram for the unit
Fig. 12
Illustration with
wiring diagram

Bekijk gratis de handleiding van Dantherm HCV 700, stel vragen en lees de antwoorden op veelvoorkomende problemen, of gebruik onze assistent om sneller informatie in de handleiding te vinden of uitleg te krijgen over specifieke functies.

Productinformatie

MerkDantherm
ModelHCV 700
CategorieNiet gecategoriseerd
TaalNederlands
Grootte4620 MB