Daikin ETBX16DF9W handleiding
Handleiding
Je bekijkt pagina 48 van 264

5 | Application guidelines
Installer reference guide
48
EPRA14~18DAV3+W1 + ETBH/X16DA6V+9W
Daikin Altherma 3 H HT W
4P587501-1A – 2020.01
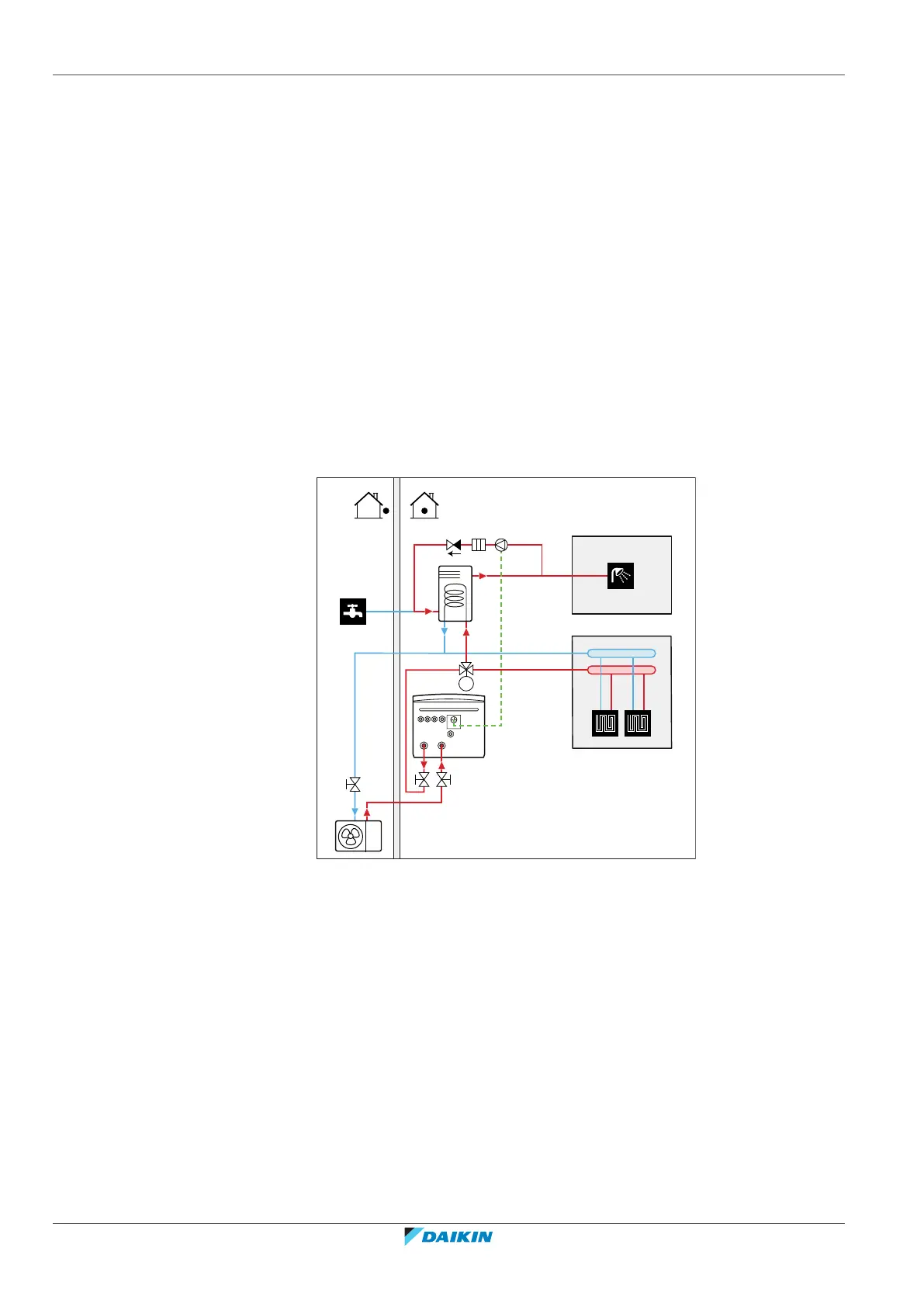
d DHW pump (field supply)
e Recirculation connection
f Motorised 3‑way valve (field supply)
▪ By connecting a DHW pump, instant hot water can be available at the tap.
▪ The DHW pump and the installation are field supply and the responsibility of the
installer. For the electrical wiring, see "8.3.5To connect the domestic hot water
pump"[4112].
▪ For more information about connecting the recirculation connection, see the
installation manual of the domestic hot water tank.
Configuration
▪ For more information, see "9Configuration"[4119].
▪ You can program a schedule to control the DHW pump via the user interface. For
more information, see the user reference guide.
5.4.5 DHW pump for disinfection
Setup
M
b
c
a
d
efg
a DHW tank
b Cold water IN
c Hot water OUT (shower (field supply))
d Motorised 3‑way valve (field supply)
e DHW pump (field supply)
f Heater element (field supply)
g Non‑return valve (field supply)
▪ The DHW pump is field-supplied and its installation is the responsibility of the
installer. For the electrical wiring, see "8.3.5To connect the domestic hot water
pump"[4112].
▪ If the applicable legislation requires a higher temperature than the maximum
tank setpoint during disinfection (see [2-03] in the field settings table), you can
connect a DHW pump and heater element as shown above.
▪ If applicable legislation requires disinfection of the water piping until the tapping
point, you can connect a DHW pump and heater element (if needed) as shown
above.
Bekijk gratis de handleiding van Daikin ETBX16DF9W, stel vragen en lees de antwoorden op veelvoorkomende problemen, of gebruik onze assistent om sneller informatie in de handleiding te vinden of uitleg te krijgen over specifieke functies.
Productinformatie
| Merk | Daikin |
| Model | ETBX16DF9W |
| Categorie | Niet gecategoriseerd |
| Taal | Nederlands |
| Grootte | 40307 MB |







