Daikin EHOBG12ABV1 handleiding
Handleiding
Je bekijkt pagina 62 van 316

Daikin Europe NV
12
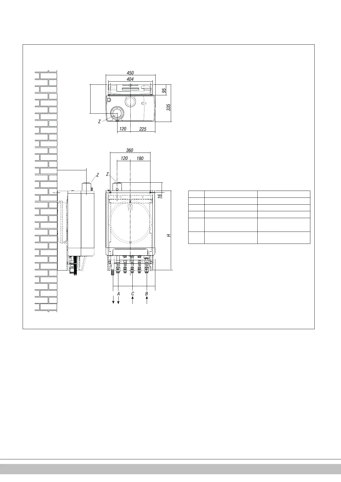
Gerät angeschlossen an B-Pack:
Gerät + B-Pack
A =
Zulauf ZH
G ¾” (außen)
B =
Rücklauf ZH
G ¾” (außen)
C =
Gas
G ½” (innen)
D =
Kondensatauslass
Ø
dn25 (flexibel)
H =
770 mm
EHOBG
12
ABV1
EHOBG18ABV1
Z =
Verbrennungsgasauslass/
Lufteinlass
Ø60/100 (konzentrisch)
020601006
265
265
77
77
D
50
130 130
Bekijk gratis de handleiding van Daikin EHOBG12ABV1, stel vragen en lees de antwoorden op veelvoorkomende problemen, of gebruik onze assistent om sneller informatie in de handleiding te vinden of uitleg te krijgen over specifieke functies.
Productinformatie
| Merk | Daikin |
| Model | EHOBG12ABV1 |
| Categorie | Niet gecategoriseerd |
| Taal | Nederlands |
| Grootte | 45154 MB |







