Daikin EHOBG12ABV1 handleiding
Handleiding
Je bekijkt pagina 61 van 316

Daikin Europe NV
11
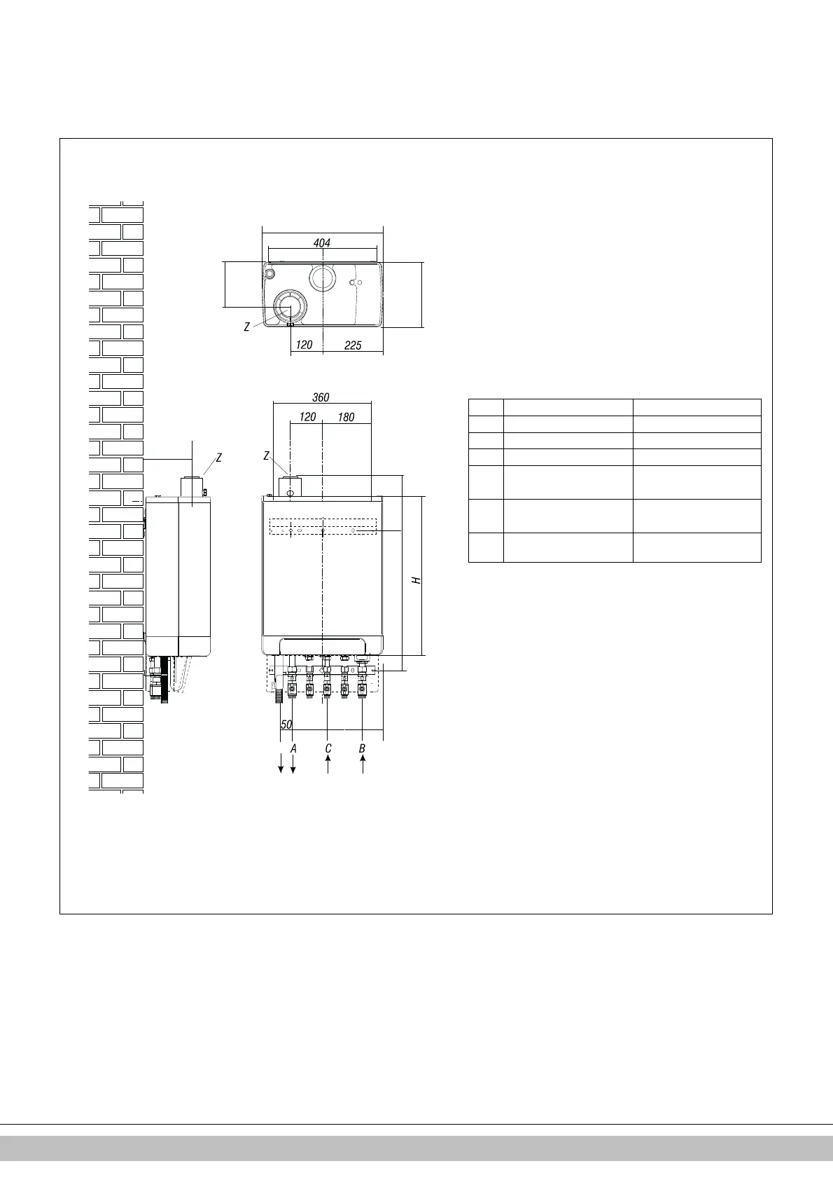
4 INSTALLATION
4.1 Abmessungen der Anlage
Kessel direkt an der Wand montiert:
Gerät + Montagehalter
A =
Zulauf ZH
G ¾” (außen)
B =
Rücklauf ZH
G ¾” (außen)
C =
Gas
G ½” (innen)
D =
Kondensatauslass
Ø dn25 (flexibel)
h =
517 mm
EHOBG
12
ABV1
EHOBG18ABV1
H =
590 mm
EHOBG
12
ABV1
EHOBG18ABV1
Z =
Verbrennungsgasauslass/
Lufteinlass
Ø60/100 (konzentrisch)
020601005
161
161
450
240
77
135
h
D
130 130
77
Bekijk gratis de handleiding van Daikin EHOBG12ABV1, stel vragen en lees de antwoorden op veelvoorkomende problemen, of gebruik onze assistent om sneller informatie in de handleiding te vinden of uitleg te krijgen over specifieke functies.
Productinformatie
| Merk | Daikin |
| Model | EHOBG12ABV1 |
| Categorie | Niet gecategoriseerd |
| Taal | Nederlands |
| Grootte | 45154 MB |







