Cooking Performance Group 351S36G24L handleiding
Handleiding
Je bekijkt pagina 8 van 13

. www.cookingperformancegroup.com
8
User Manual
6. Once the pilot is lit, it will stay lit indenitely. If you turn the knob all the way to the OFF position it
will turn off all gas to the pilot and it will go out. To avoid this, the knob should be turned to the
pilot symbol when turning the oven OFF.
TURNING PILOT OFF: Rotate knob clockwise to align pointer on knob with notch on bezel.
CONVECTION OVEN
1. Open kick plate under the oven door.
2. Press down temperature control knob and rotate counterclockwise to align the mark with the
notch on bezel. Hold knob down.
NOTE: On new installations, all air must be purged from the gas lines. Initial gas line purging of the
oven pilot on new installs can take up to 3 minutes.
3. Ignite pilot ame with a lighter via ignition hole.
4. After pilot ame is ignited, continue holding knob for at least 20 seconds to heat thermocouple. If
pilot light goes out, repeat steps 2–4 until remains lit.
5. Flip the power switch to the “cook” position. Keep rotating the temperature control knob
counterclockwise to ignite the main burner of oven. Select appropriate temperature according to
food requirement.
6. To use the “cool down” function, turn the temperature control knob. Hold down the knob. Then
turn the thermostat to the lowest setting. Open the oven door and ip the power switch to the
“cool down” position. When the oven has cooled, then ip the power switch to the OFF position
and close the door.
7. Once the pilot is lit, it will stay lit indenitely. If you turn the knob all the way to the OFF position,
it will turn off all gas to the pilot and it will go out. To avoid this, the knob should be turned to the
pilot symbol when turning the oven OFF.
TURNING PILOT OFF: Rotate knob clockwise to align pointer on knob with notch on bezel. The
power switch should be in the OFF position.
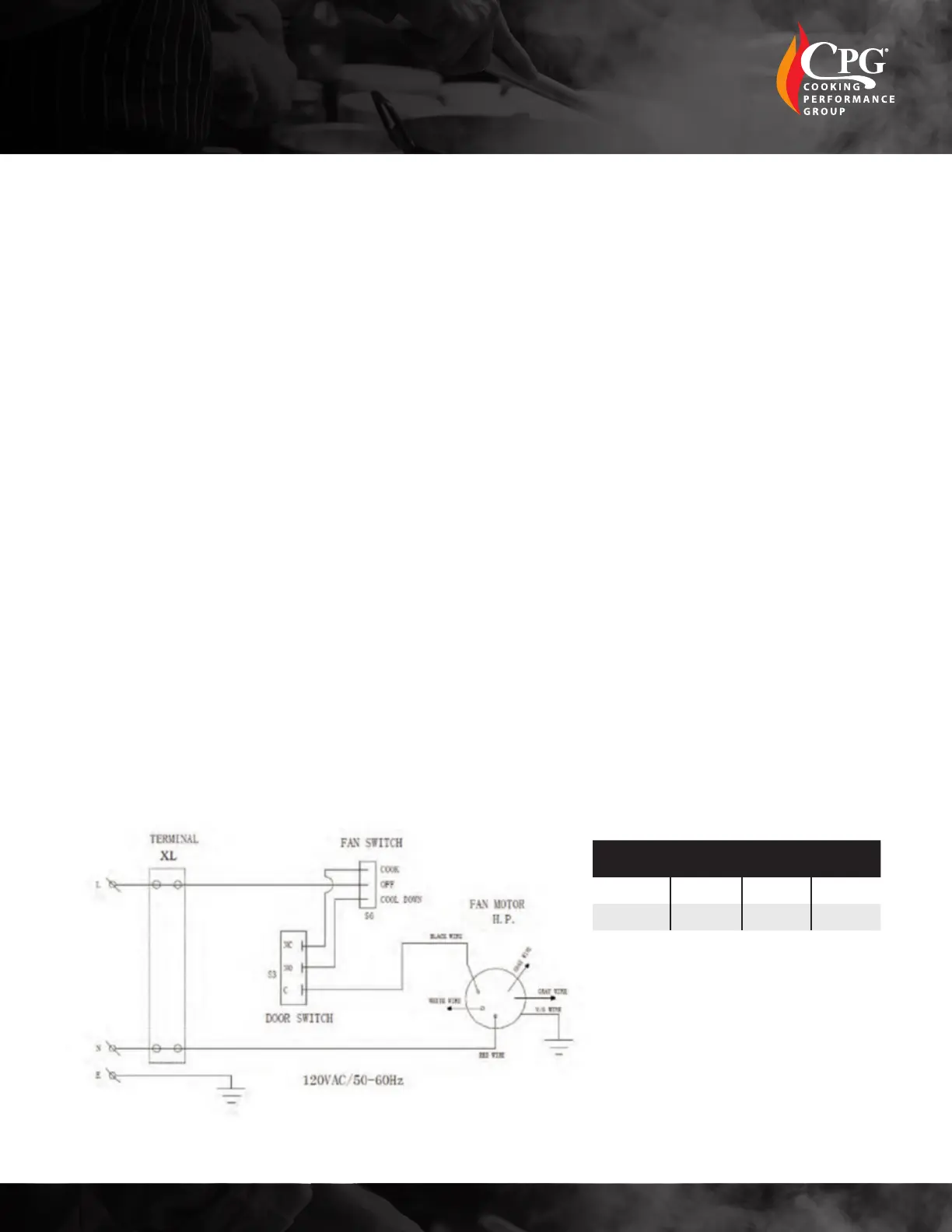
VOLTS H.P. HERTZ
351C36N 120 0.14 60
351C36L 120 0.14 60
CONVECTION OVEN WIRING DIAGRAM
0.14
Bekijk gratis de handleiding van Cooking Performance Group 351S36G24L, stel vragen en lees de antwoorden op veelvoorkomende problemen, of gebruik onze assistent om sneller informatie in de handleiding te vinden of uitleg te krijgen over specifieke functies.
Productinformatie
| Merk | Cooking Performance Group |
| Model | 351S36G24L |
| Categorie | Fornuis |
| Taal | Nederlands |
| Grootte | 5972 MB |





