Handleiding
Je bekijkt pagina 40 van 58

DE - 10
Leistung (kW) Anzahl Stufen Leistung (kW) Anzahl Stufen
Option A
Baugröße 025 15 2 30 4
Baugröße 040 24 2 48 4
Baugröße 060 33 2 66 4
Mit Schaltschrank: Zweipunkt oder TRIAC:
Schaltschrank nicht lieferbar für die Option A.
Optionen Schaltschrank:
o Option B: EIN/AUS (2 Stufen) / montiert und verdrahtet
o Option C: EIN/AUS (2 Stufen) / Schaltschrank nicht montiert und nicht verdrahtet
o Option D: Stufenlose Regelung mit TRIAC (1 Stufe EIN/AUS + 1 stufenlos regelnd)
o Option E: Stufenlose Regelung mit TRIAC (1 Stufe EIN/AUS + 1 stufenlos regelnd) / Schaltschrank nicht montiert und nicht
verdrahtet
Zu verdrahten:
- Spannungsversorgung Drehstrom – 400V
- Steuerung / Absicherung
- Option C und E: zwischen Schaltschrank und Klemmleiste der Widerstände zu verdrahten. Lieferung des Kabels
bauseits (sh. 4.6.2: ohne Schaltschrank).
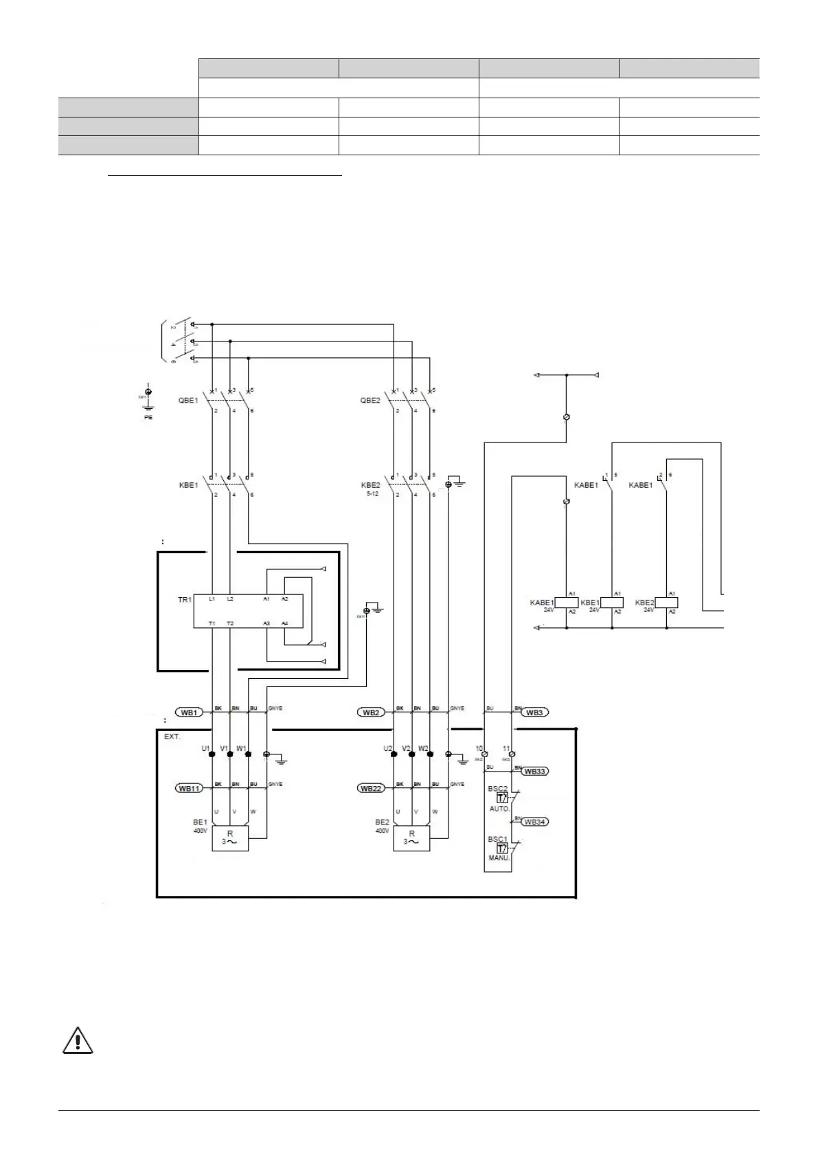
Das Einschalten der Elektro-Heizregisterstufen oder die Leistungsänderung müssen in Abhängigkeit vom Luftvolumenstrom
der Klimazentrale gesteuert werden. Im Regelungssystem muss zwingend eine Nachlüftung vorgesehen sein.
Steuerung
Stromversorgung
Drehstrom 400V / 50Hz
Option D / E:
TRIAC
Option C / E:
Thermostat
Thermostat
Elektro-Heizregister
Stufe 2
Elektro-Heizregister
Stufe 1
Bekijk gratis de handleiding van Carrier 39CQ, stel vragen en lees de antwoorden op veelvoorkomende problemen, of gebruik onze assistent om sneller informatie in de handleiding te vinden of uitleg te krijgen over specifieke functies.
Productinformatie
Merk | Carrier |
Model | 39CQ |
Categorie | Airco |
Taal | Nederlands |
Grootte | 9883 MB |