Handleiding
Je bekijkt pagina 26 van 58

EN - 10
Power (kW) Number of speeds Power (kW) Number of speeds
Option A
Size 025 15 2 30 4
Size 040 24 2 48 4
Size 060 33 2 66 4
With electrics box: On/Off or TRIAC:
Box not available for option A.
Box options:
o Option B: On/Off (2-stage) / fitted and wired
o Option C: On/Off (2-stage) / box not fitted and not wired
o Option D: modulating with TRIAC (1 On/Off stage + 1 modulating stage)
o Option E: modulating with TRIAC (1 On/Off stage + 1 modulating stage) / box not fitted and not wired
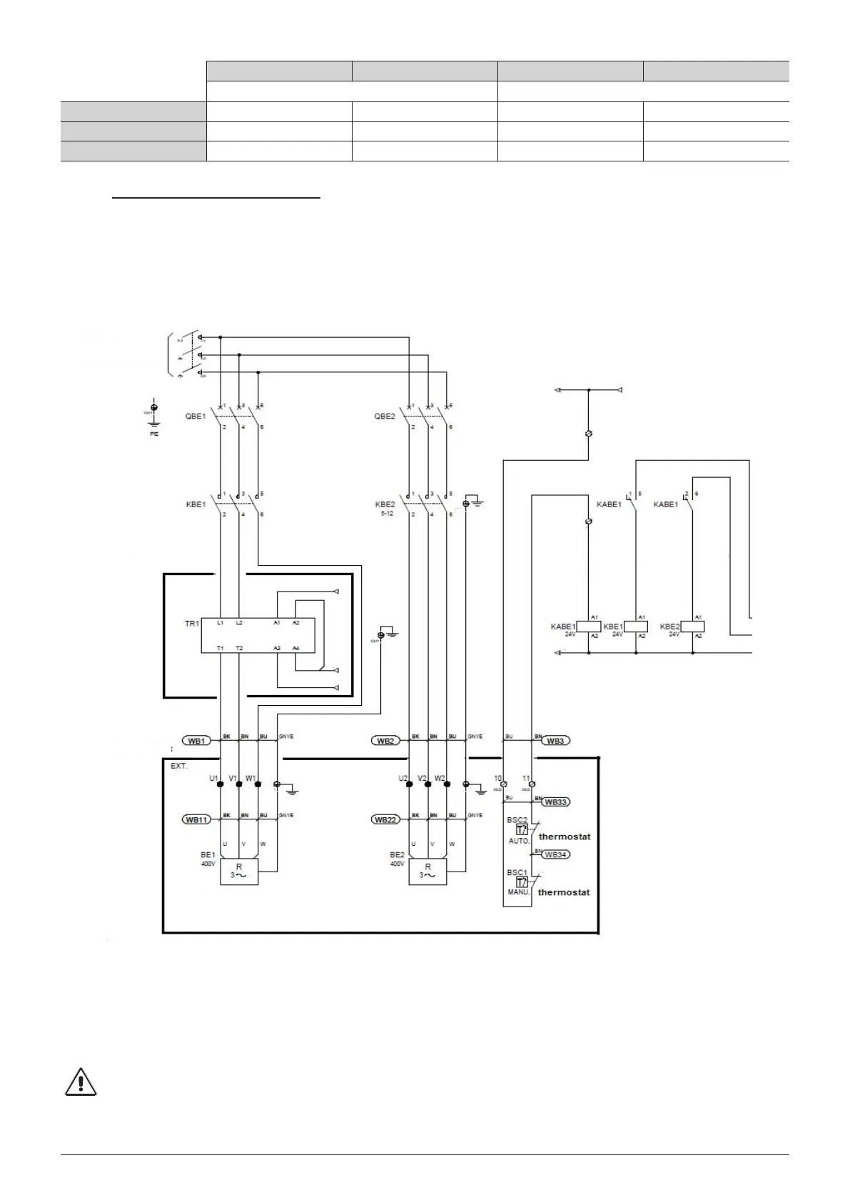
Control
To be wired:
- 3-PH – 400V supply
- Control/protection
- Option C and E: to be wired between the electrics box and the heater terminal. Cable to be supplied at the customer's
expense (See 4.6.2: without box).
The activation of the electric heater stages or the output modulation must be slaved to the AHU's air flow. A fan delay must
be provided as part of the control tender.
Control
supply
3-PH-400V / 50Hz
Option D / E:
TRIAC
Option C / E:
Electric heater
Stage 2
Electric heater
Stage 1
Bekijk gratis de handleiding van Carrier 39CQ, stel vragen en lees de antwoorden op veelvoorkomende problemen, of gebruik onze assistent om sneller informatie in de handleiding te vinden of uitleg te krijgen over specifieke functies.
Productinformatie
Merk | Carrier |
Model | 39CQ |
Categorie | Airco |
Taal | Nederlands |
Grootte | 9883 MB |