Bogen UTI312 handleiding

32 pagina's
PDF beschikbaar

Handleiding

Je bekijkt pagina 29 van 32
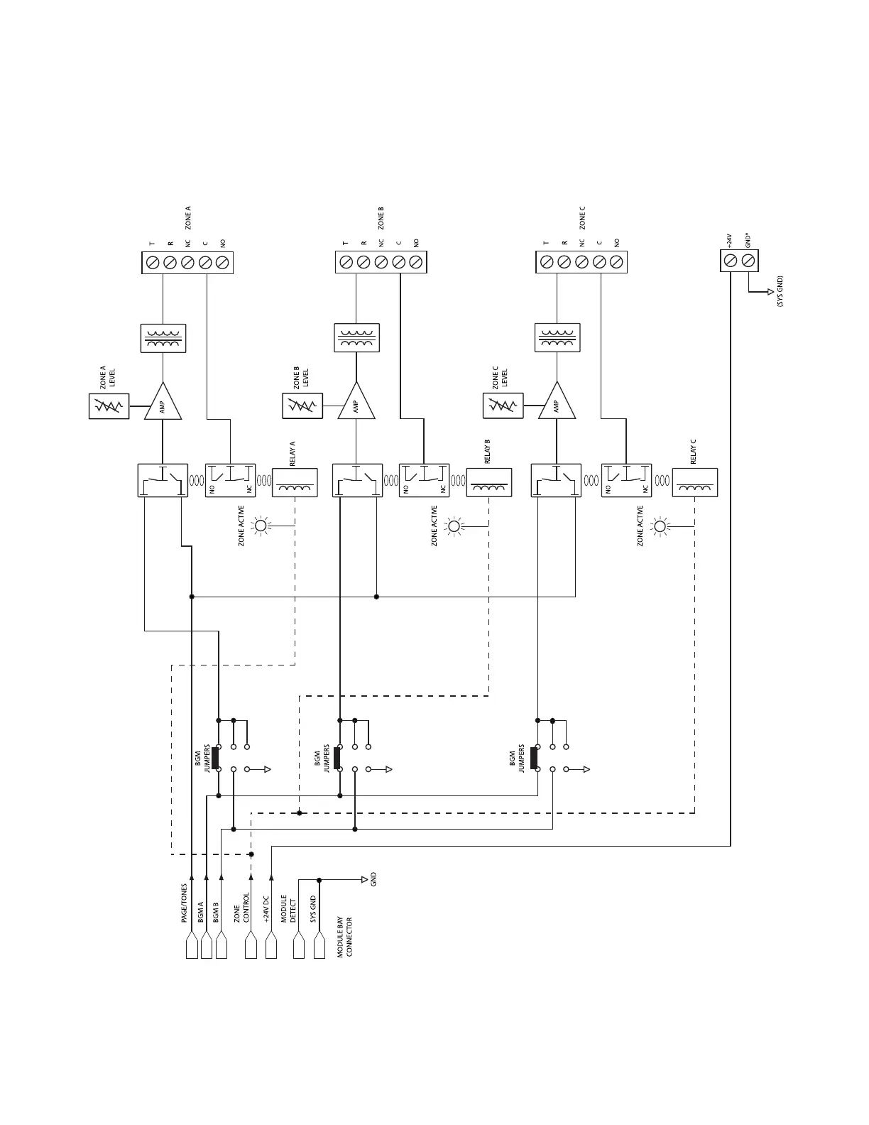
Block Diagram, UTI312
29
* Ground points marked with an asterisk must not be connected to
Earth Ground when GND ST terminal is connected to Earth Ground.

Bekijk gratis de handleiding van Bogen UTI312, stel vragen en lees de antwoorden op veelvoorkomende problemen, of gebruik onze assistent om sneller informatie in de handleiding te vinden of uitleg te krijgen over specifieke functies.

Productinformatie

MerkBogen
ModelUTI312
CategorieNiet gecategoriseerd
TaalNederlands
Grootte2812 MB