Bogen PCM2000 handleiding
Handleiding
Je bekijkt pagina 4 van 40

4
POWER
- 1.5A
OUT
RT
GND
AUX
GND
S1
S2
S3
S4
0 1
SYS
ID
RUN
PROGRAM
DATA
LINK
12 VDC
1.5A
-
IN
RT
RT
IN
RT
IN
EM/SC
+ 12VDC
BOGEN
PA
LPBGM
PA
HPBGM
+
POWER
RD COM
+
-
RD A
RD B
ZONE A
ZONE B
ZONE C
OFF ON
TALKBACK
RT
IN
RD C
LOCAL
BGM
ZONE A
+
-
ZONE B
+
-
ZONE C
LPBGM
VOLUME
LO PWR
HI PWR
OUTPUT
BGM
OUT IN
PCM
ZPM
PCM
CPU
+
-
PCM PS2
RT
70V COM
BOGEN PAGING
AMPLIFIER
ZONE A
ZONE B
ZONE C
GLOBL BGM
ZONE C
ZONE B
ZONE A
PBX
PAGING
PORT
T
R
1 - Not used
2 - Contact Closure
3 - Dry audio (R)
4 - Dry audio (T)
5 - Contact Closure
6 - Not used
CONTACT
CLOSURE
PCM
TIM
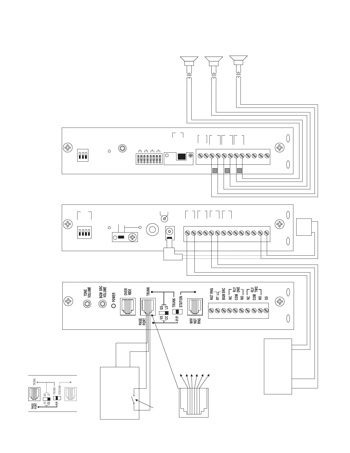
SECTION I: APPLICATION CONFIGURATIONS
SETUP FOR CONFIGURATION 1: PAGE PORT CONTACT CLOSURE / 3-ZONE / ONE-WAY PAGING / SINGLE AMPLIFIER / 25 & 70V AC SPEAKERS
SETTINGS
Bekijk gratis de handleiding van Bogen PCM2000, stel vragen en lees de antwoorden op veelvoorkomende problemen, of gebruik onze assistent om sneller informatie in de handleiding te vinden of uitleg te krijgen over specifieke functies.
Productinformatie
| Merk | Bogen |
| Model | PCM2000 |
| Categorie | Niet gecategoriseerd |
| Taal | Nederlands |
| Grootte | 3772 MB |







