Beverage-Air WTRCS72HC-76 handleiding
Handleiding
Je bekijkt pagina 24 van 28

User Manual for WTRCS 48" - 112" Refrigerators Beverage-Air
Rev. 04/25Beverage-Air24
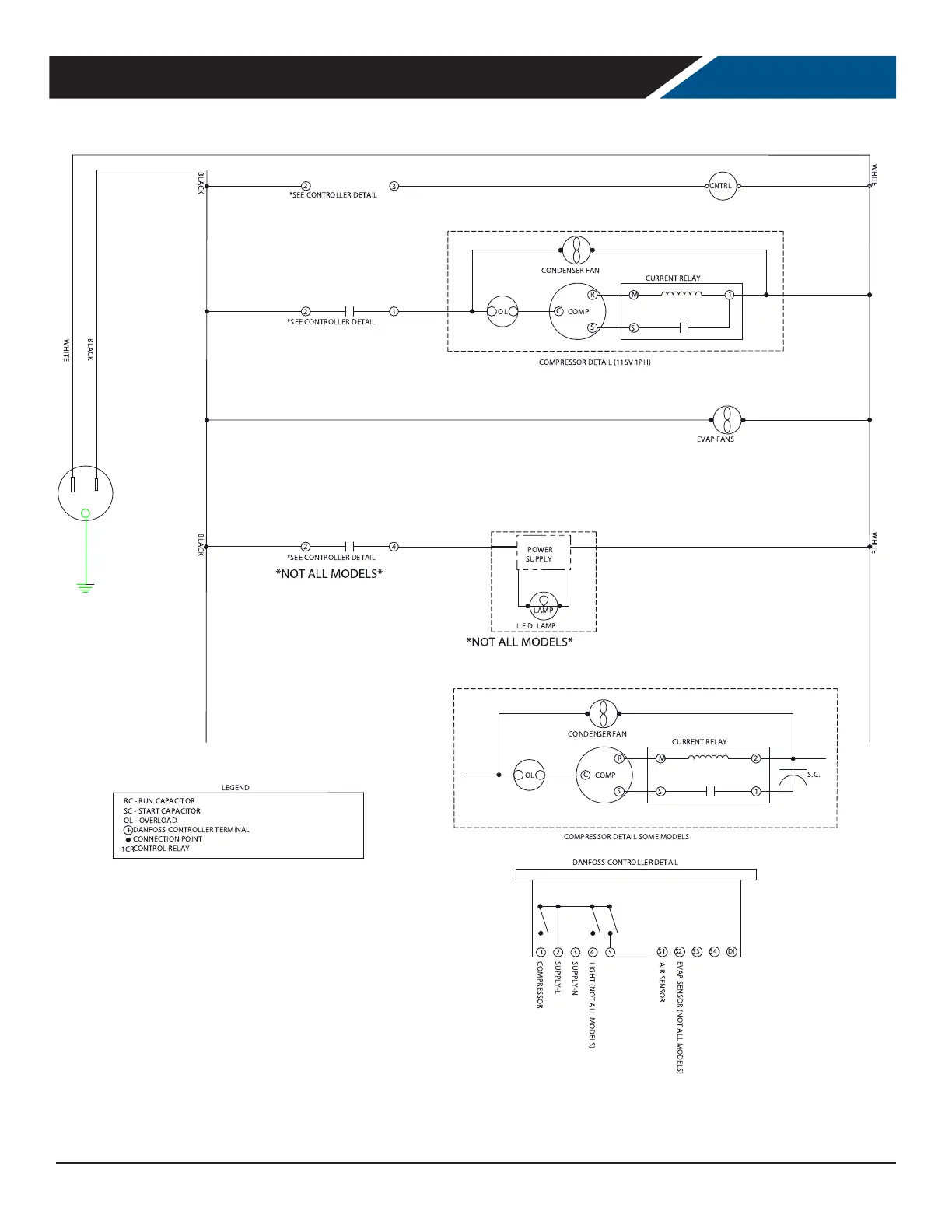
FOR THE SERVICE TECH - WIRING DIAGRAM - DANFOSS CONTROLLER
0123ÿ567869ÿ3ÿÿ223623
ÿ ! "#$ %&'"()
*+,ÿ./0ÿ10,2340ÿ.04/ÿ5ÿ63,378ÿ93:8,:;
<=>?@
A
B
CDEFG
@HEIÿKELM
NM@@ÿFOL?PODD@PÿQ@?E>D
A
R
NM@@ÿFOL?PODD@PÿQ@?E>D
<=>?@
CDEFG
CDEFG
<=>?@
FOSIP@MMOPÿQ@?E>DÿTBBUHÿBI=V
FOSI
FOLQ@LM@PÿKEL
F
OD
P
M
M
FWPP@L?ÿP@DEX
B
S
FOSIP@MMOPÿQ@?E>DÿMOS@ÿSOQ@DM
FWPP@L?ÿP@DEX
A
FOSI
FOLQ@LM@PÿKEL
F
P
M
M
S
OD
B
MYFY
B
A
RZ
MA
QELKOMMÿFOL?PODD@PÿQ@?E>D
FOSIP@MMOP
MWIIDX[D
MWIIDX[L
U
D>\=?ÿTLO?ÿEDDÿSOQ@DMV
MB
MRMZ
Q>
D@\@LQ
PFÿ[ÿPWLÿFEIEF>?OP
MFÿ[ÿM?EP?ÿFEIEF>?OP
ODÿ[ÿOH@PDOEQ
ÿÿÿ[ÿQELKOMMÿFOL?PODD@Pÿ?@PS>LED
ÿÿÿ[ÿFOLL@F?>OLÿIO>L?
ÿÿÿ[ÿFOL?PODÿP@DEX
B
BFP
E>PÿM@LMOP
A
Z
NM@@ÿFOL?PODD@PÿQ@?E>D
IO<@P
MWIIDX
DESI
DY@YQYÿDESI
NLO?ÿEDDÿSOQ@DMN
NLO?ÿEDDÿSOQ@DMN
@HEIÿM@LMOPÿTLO?ÿEDDÿSOQ@DMV
FL?PD
Bekijk gratis de handleiding van Beverage-Air WTRCS72HC-76, stel vragen en lees de antwoorden op veelvoorkomende problemen, of gebruik onze assistent om sneller informatie in de handleiding te vinden of uitleg te krijgen over specifieke functies.
Productinformatie
| Merk | Beverage-Air |
| Model | WTRCS72HC-76 |
| Categorie | Niet gecategoriseerd |
| Taal | Nederlands |
| Grootte | 4037 MB |







