Beverage-Air UCRD67AHC-4 handleiding

31 pagina's
PDF beschikbaar

Handleiding

Je bekijkt pagina 28 van 31
User Manual for UCR Refrigerators Beverage-Air
Rev. 04/25Beverage-Air28
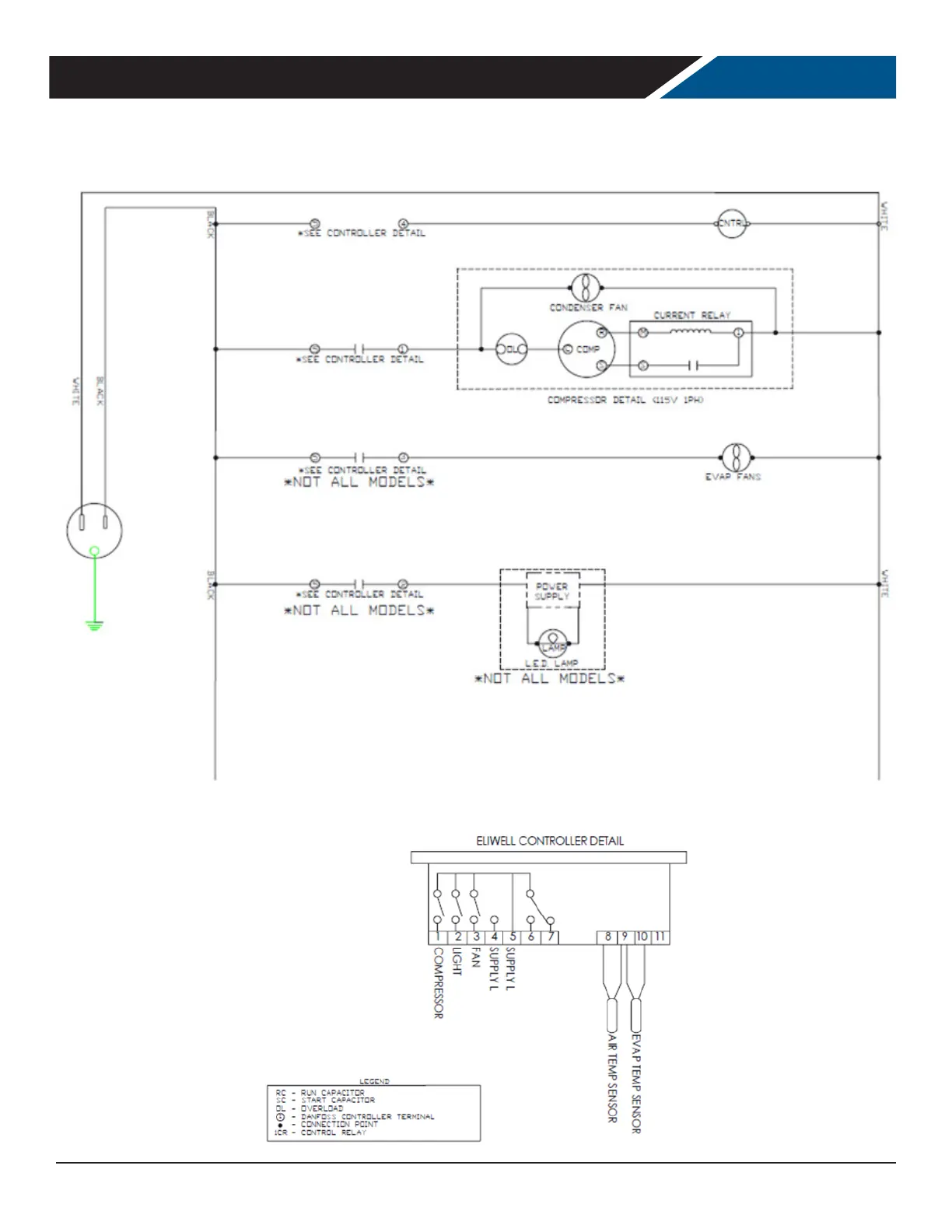
FOR THE SERVICE TECH - WIRING DIAGRAM ELIWELL CONTROLLER

Bekijk gratis de handleiding van Beverage-Air UCRD67AHC-4, stel vragen en lees de antwoorden op veelvoorkomende problemen, of gebruik onze assistent om sneller informatie in de handleiding te vinden of uitleg te krijgen over specifieke functies.

Productinformatie

MerkBeverage-Air
ModelUCRD67AHC-4
CategorieKoelkast
TaalNederlands
Grootte4718 MB