Alpine DVA-5210 handleiding
Handleiding
Je bekijkt pagina 33 van 41

32-EN
Connections
• Connect properly.
Never connect to parts other than the ones indicated in these operating instructions.
• Also refer to the operating instructions of the other products in the system.
Setting the System Switch
Switch to operate from either an Ai-NET compatible head unit or Ai-NET compatible AV head unit connected to this unit.
Be sure to set the system switch before fastening the DVA-5210 in place.
1
Disconnect the power plug.
2
Set the system switch at the bottom of this unit with a pointed object.
1:
When connecting to an Ai-NET compatible head unit or Ai-NET compatible AV head unit.
If set to 2, with any of the Ai-NET compatible (AV) head units connected, you may not be able to operate from the head unit, or listen to
audio from some external devices, etc.
The factory default is 1.
2:
When connecting to an Ai-NET incompatible head unit or another manufacturer's head unit.
3
Connect the power plug.
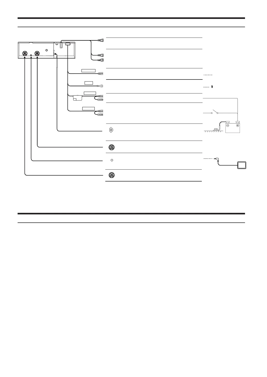
BATTERY
IGNITION
REMOTE IN
GND
Red
Yellow
White/Brown
Black
Fuse
(7.5A)
Yellow
• Battery Lead
Connect this lead to the positive (+) post of the vehicle’s battery.
Red
• Switched Power Lead (Ignition)
Connect this lead to an open terminal on the vehicle’s fuse box
or another unused power source which provides (+)12V only
when the ignition is turned on or in the accessory position.
When connecting with the Ai-NET compatible AV head unit or
the Ai-NET compatible head unit, do not connect the ignition lead.
White/
Brown
• Remote Control Input Lead
This lead is used in combination with the Ai-NET compatible AV
head unit or the ALPINE monitor with a remote control output lead.
Black
• Ground Lead
Connect this lead to a good chassis ground on the vehicle. Make
sure the connection is made to bare metal and is securely fastened
using the sheet metal screw provided.
• Ai-NET Connector (Black)
Connect this to the output or input connector of other product
equipped with Ai-NET.
• Remote Control Eye Jack
Connect this to the remote control sensor unit. Not used when
using a monitor with a built-in remote control sensor unit. A remote
control sensor unit is needed when a monitor or navigation unit
made by other company is connected.
• Ai-NET Connector (Gray)
Connect this to the output or input connector of other product
equipped with Ai-NET.
• Audio Output Connectors
This output may be connected to a Rear Monitor with a volume
control or an auxiliary audio preamp. This is used to monitor the
DVD audio while the main audio system is being driven by
another source (such as Radio or CD).
White (L)
Red (R)
• Video Output Connector
This connector is used in combination with the video inputs of
another video product (AV head unit or TV monitor).
Yellow
Cable Color Cable Specifications
• Digital Output Terminal (Optical)
This terminal is used to connect DVA-5210 to ALPINE digital audio
processor (PXA-H700 etc.).
These products include a fiber optic cable that will plug directly into
the Digital Output Terminal of the DVA-5210.
Connect to a metal part of
chassis body with a screw
Ignition Key
To remote control output
lead
Remote Control Eye
(Sold Separately)
Bekijk gratis de handleiding van Alpine DVA-5210, stel vragen en lees de antwoorden op veelvoorkomende problemen, of gebruik onze assistent om sneller informatie in de handleiding te vinden of uitleg te krijgen over specifieke functies.
Productinformatie
| Merk | Alpine |
| Model | DVA-5210 |
| Categorie | Niet gecategoriseerd |
| Taal | Nederlands |
| Grootte | 6974 MB |







