Aiphone JPW-BA handleiding
Handleiding
Je bekijkt pagina 8 van 20

8
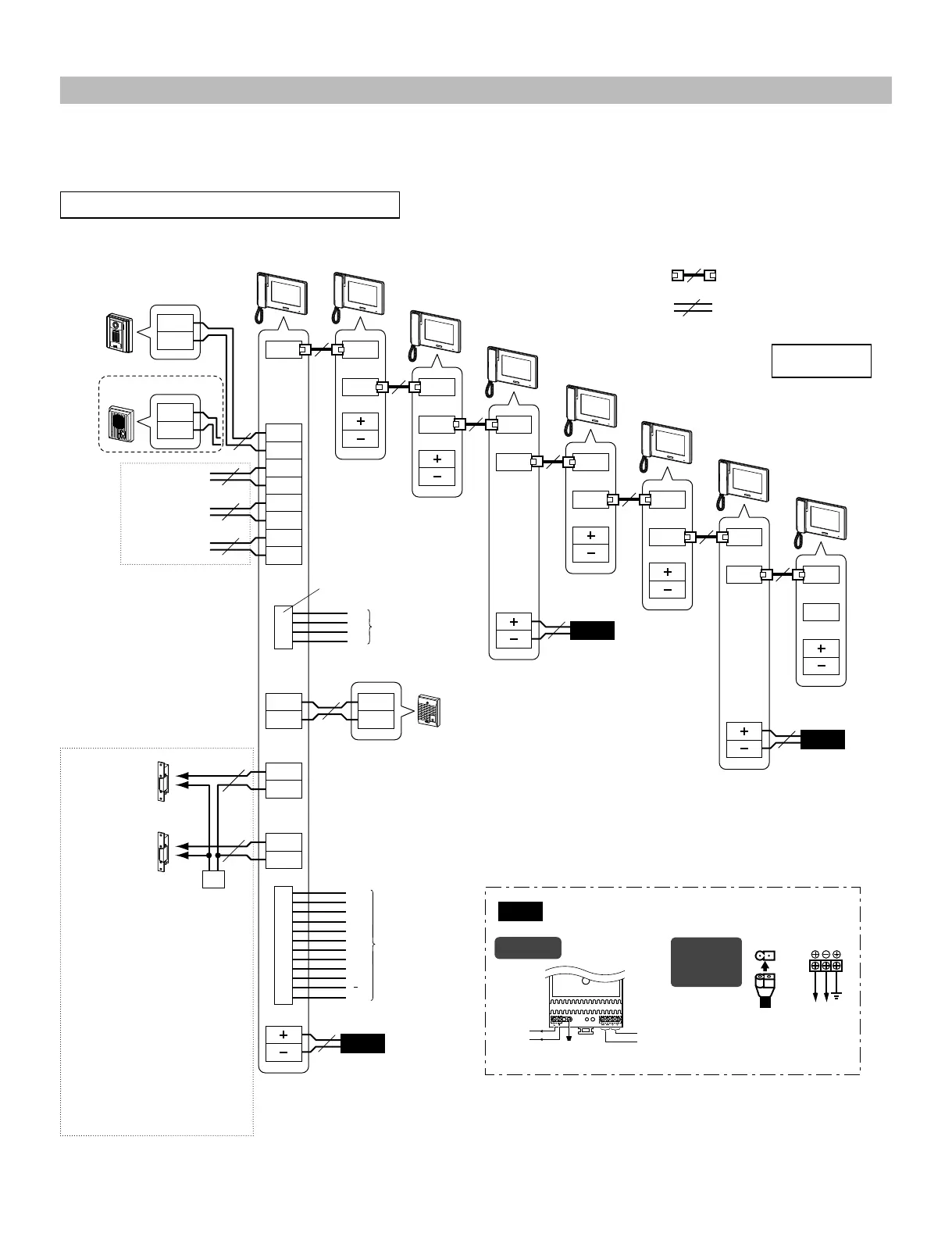
Basic system connection
This system allows 2 types of connection methods, "Station-to-station wiring" and "Home-run wiring". Select the method suitable for
the application and usage of the system. Both connection methods can be combined.
Station-to-station (daisy-chained) wiring
PS24
P
2
PS24
P
2
PS24
P
2
2
A1
M (OUT)
M (IN)
A2
1A1
M (OUT)
1A2
2A1
2A2
A1
A2
S
S
L1
L1
PT
3A1
3A2
4A1
4A2
NP
2
NP
2
NP
2
NP
2
NP
2
2
NP
L2
L2
2
NP
b4
b3
b2
b1
V+
V
SW
SW
S1
S1E
S2
S2E
S3
S3E
PS24
+
-
100V - 240V
AC
50/60 Hz
24V
DC2A
PS-2420
PS-2420S
PS-2420UL
PS-2420D
M (IN)
M (OUT)
M (IN)
M (OUT)
M (IN)
M (OUT)
M (IN)
M (OUT)
M (IN)
M (OUT)
M (IN)
M (OUT)
:
:
N
L
-
+
230 V AC 50/60 Hz
24 V DC2A
1
2
NP: Non-polarized
P: Polarized
CAT5e (non-shielded)
Ø1.0mm, 18AWG 2 conductor cable
Master station
(ID = 1)
JP-4MED
Door station 1
JP-DA
JP-DV
JP-DVF
JP-DVF-L
Door station 2
Door station 3
Optional call
extension speaker
IER-2
P. 12
P. 12
12-pin option connector
4-pin option connector
Electric door
strike
EL-12S
Electric door
strike
EL-12S
Sub master station 1 (ID = 2)
JP-4HD
Sub master station 2 (ID = 3)
JP-4HD
Sub master station 3 (ID = 4)
JP-4HD
Sub master station 4 (ID = 5)
JP-4HD
Sub master station 5 (ID = 6)
JP-4HD
Sub master station 6 (ID = 7)
JP-4HD
Sub master station 7
(ID = 8)
JP-4HD
AC transformer
: Power supply
An EL-12S (AC 12 V 0.125 A, DC 12
V 0.2 A) or equivalent electric door
strike and a separate AC transformer
are required.
Run separate cables for audio/
*
video and door release.
Door release contact: AC/DC 24 V,
*
0.5 A (Minimum Contact : 100 mV
DC, 0.1 mA)
(N/O dry closure contact L1, L2).
To enable door release for door 3
*
and 4, see page 11.
Door release
GT-D
Door station 4
or
Same as door station 1.
*
Bekijk gratis de handleiding van Aiphone JPW-BA, stel vragen en lees de antwoorden op veelvoorkomende problemen, of gebruik onze assistent om sneller informatie in de handleiding te vinden of uitleg te krijgen over specifieke functies.
Productinformatie
| Merk | Aiphone |
| Model | JPW-BA |
| Categorie | Niet gecategoriseerd |
| Taal | Nederlands |
| Grootte | 2721 MB |
Caratteristiche Prodotto
| Kleur van het product | Grey, White |
| Breedte | 123 mm |
| Diepte | 61 mm |
| Hoogte | 109 mm |
| Aantal per verpakking | 1 stuk(s) |







