Advantech WISE-750 handleiding
Handleiding
Je bekijkt pagina 20 van 44

WISE-750 User Manual 14
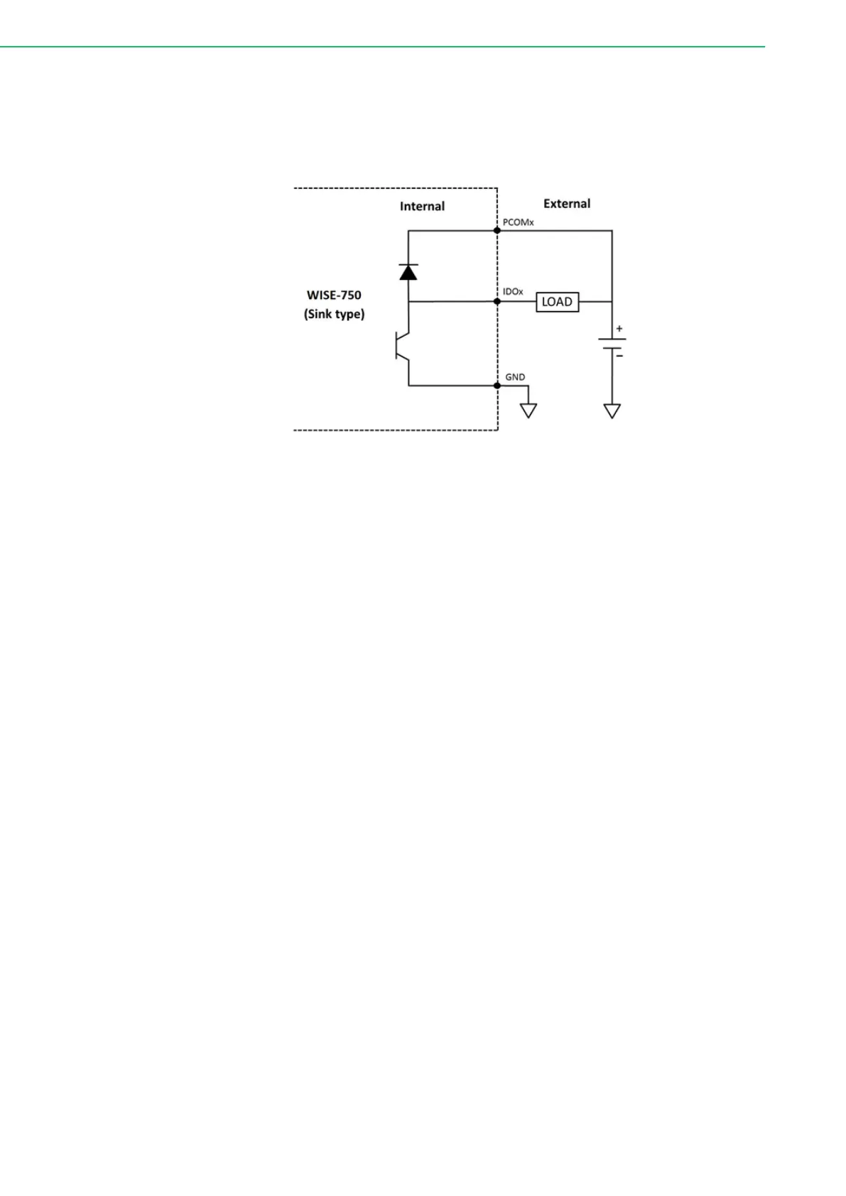
3.3.4 Isolated Digital Output
The WISE-750 refers the digital output as alarm. When the inspection criteria is
reached, the alarm would be pulled to high automatically, in order to trigger the exter-
nal equipment. The signal connection is shown in figure 3.
Figure 3.7 Isolated Digital Output Connection
3.4 Hardware Installation
WISE-750 can be integrated with a DIN-Rail mount for easy operation.
1. Take out the mount kit from the package.
2. Install the DIN-rail kit using the 3 screws provided in the pack.
3.5 Field Wiring Considerations
When you use WISE-750 module to acquire data from outside, noises in the environ-
ment might significantly affect the accuracy of your measurements if due cautions are
not taken. The following measures will be helpful to reduce possible interference run-
ning signal wires between signal sources and the WISE-750 module.
The signal cables must be kept away from strong electromagnetic sources such
as power lines, large electric motors, circuit breakers or welding machines,
since they may cause strong electromagnetic interference. Keep the analog sig-
nal cables away from any video monitor, since it can significantly affect a data
acquisition system.
If the cable travels through an area with significant electromagnetic interference,
you should adopt individually shielded, twisted-pair wires as the analog input
cable. This type of cable has its signal wires twisted together and shielded with
a metal mesh. The metal mesh should only be connected to one point at the sig-
nal source ground.
Avoid running the signal cables through any conduit that might have power lines
in it.
If you have to place your signal cable parallel to a power line that has a high
voltage or high current running through it, try to keep a safe distance between
them. Alternatively, you can place the signal cable at a right angle to the power
line to minimize the undesirable effect.
Bekijk gratis de handleiding van Advantech WISE-750, stel vragen en lees de antwoorden op veelvoorkomende problemen, of gebruik onze assistent om sneller informatie in de handleiding te vinden of uitleg te krijgen over specifieke functies.
Productinformatie
Merk | Advantech |
Model | WISE-750 |
Categorie | Niet gecategoriseerd |
Taal | Nederlands |
Grootte | 3724 MB |