Advantech PCIE-1816 handleiding
Handleiding
Je bekijkt pagina 26 van 62

PCIE-1816_1816H User Manual 20
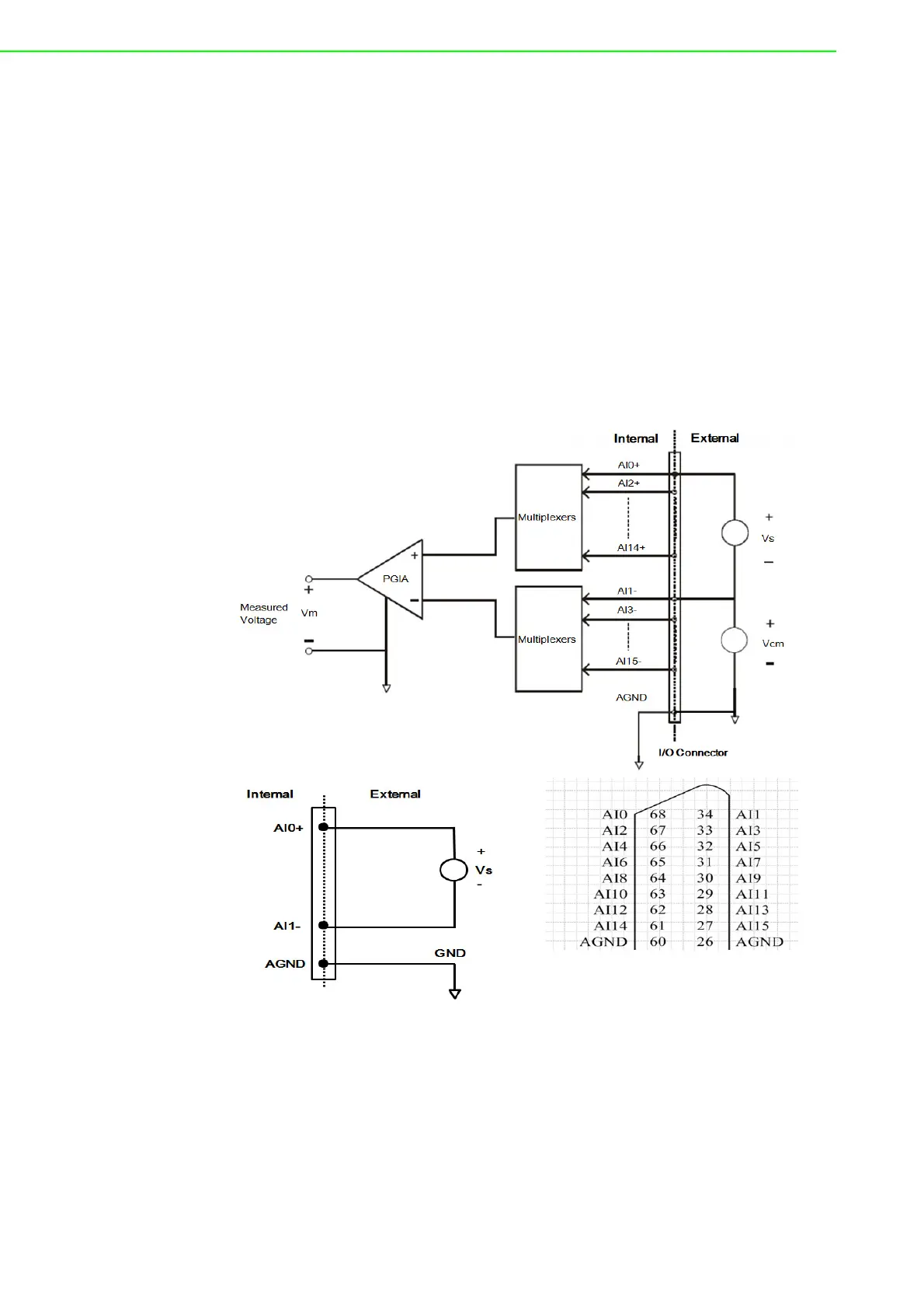
Differential Channel Connections
The differential input channels operate with two signal wires for each channel, and
the voltage difference between both signal wires is measured. On PCIE-1816/
1816H, when all channels are configured to differential input, up to 8 analog channels
are available.
If one side of the signal source is connected to a local ground, the signal source is
ground-referenced. Therefore, the ground of the signal source and the ground of the
card will not be exactly of the same voltage. The difference between the ground volt-
ages forms a common-mode voltage (Vcm ).
To avoid the ground loop noise effect caused by common-mode voltages, you can
connect the signal ground to the Low input. Figure 3-4 shows a differential channel
connection between a ground reference signal source and an input channel on the
PCIE-1816/1816H. With this connection, the PGIA rejects a common-mode voltage
Vcm between the signal source and the PCIE-1816/1816H ground, shown as Vcm in
Figure 3-4.
Figure 3.4 Differential input channel connections
Bekijk gratis de handleiding van Advantech PCIE-1816, stel vragen en lees de antwoorden op veelvoorkomende problemen, of gebruik onze assistent om sneller informatie in de handleiding te vinden of uitleg te krijgen over specifieke functies.
Productinformatie
Merk | Advantech |
Model | PCIE-1816 |
Categorie | Niet gecategoriseerd |
Taal | Nederlands |
Grootte | 9278 MB |