Advantech PCIE-1816 handleiding
Handleiding
Je bekijkt pagina 25 van 62

19 PCIE-1816_1816H User Manual
Chapter 3 Signal Connections
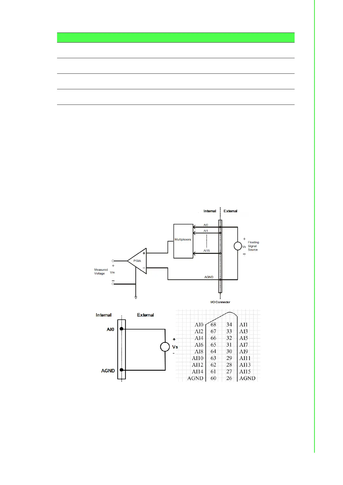
3.3.2 Analog Input Connections
PCIE-1816/1816H supports either 16 single-ended or 8 differential analog inputs.
Single-ended Channel Connections
The single-ended input configuration has only one signal wire for each channel, and
the measured voltage (Vm) is the voltage of the wire as referenced against the com-
mon ground.
A signal source without a local ground is also called a “floating source”. It is fairly sim-
ple to connect a single-ended channel to a floating signal source. In this mode, the
PCIE-1816/1816H provides a reference ground for external floating signal sources.
Figure 3-3 shows a single-ended channel connection between a floating signal
source and an input channel.
Figure 3.3 Single-ended input channel connections
When to Use Single-ended Channel Connections
Single-ended connections are only used for the following conditions:
All input signals that can share a common reference point, AGND.
The wire connecting the signal to the device are less than 3 m.
CNT0_OUT
CNT1_OUT
DGND Output Counter 0/1 Output.
CNT0_GATE
CNT1_GATE
DGND Input Counter 0/1 Gate Control.
+12V DGND Output +12V DC Source. This pin is +12V DC power
supply for external use. (0.1A maximum)
+5V DGND Output +5V DC Source. This pin is +5V DC power sup-
ply for external use. (0.3A maximum)
Table 3.4: I/O Connector Signal Descriptions
Bekijk gratis de handleiding van Advantech PCIE-1816, stel vragen en lees de antwoorden op veelvoorkomende problemen, of gebruik onze assistent om sneller informatie in de handleiding te vinden of uitleg te krijgen over specifieke functies.
Productinformatie
Merk | Advantech |
Model | PCIE-1816 |
Categorie | Niet gecategoriseerd |
Taal | Nederlands |
Grootte | 9278 MB |