Advantech PCI-1780U handleiding
Handleiding
Je bekijkt pagina 17 van 40

11 PCI-1780U User Manual
Chapter 2 Installation Guide
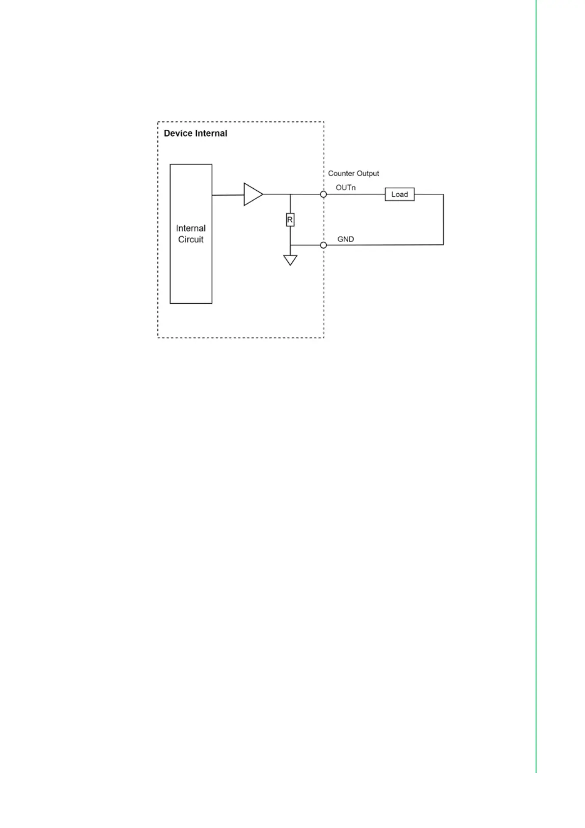
2.3.4 Counter Output Signal Connection (TTL)
A voltage logic level is generated between the counter output terminal and the
ground (GND) terminal. This is shown in Figure 2.8.
Figure 2.5 Counter output signal connection.
Each counter output channel can source or sink only finite amount of current. If this
limit is exceeded, the output voltage will not stay in the specified voltage logic level.
Refer to the device specifications for the maximum source and skin current values.
Bekijk gratis de handleiding van Advantech PCI-1780U, stel vragen en lees de antwoorden op veelvoorkomende problemen, of gebruik onze assistent om sneller informatie in de handleiding te vinden of uitleg te krijgen over specifieke functies.
Productinformatie
Merk | Advantech |
Model | PCI-1780U |
Categorie | Niet gecategoriseerd |
Taal | Nederlands |
Grootte | 4254 MB |