Advantech PCI-1780U handleiding
Handleiding
Je bekijkt pagina 15 van 40

9 PCI-1780U User Manual
Chapter 2 Installation Guide
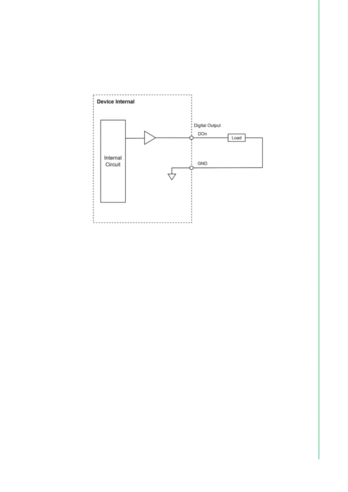
2.3.2 Digital Output Signal Connection
A digital input/output (DI/O) channel can be configured by software to perform digital
input measurement, which is the power-on default configuration, or digital output
generation. When configured for digital output generation, a voltage logic level is pro-
duced between the digital output (DO) terminal and the digital ground (GND) termi-
nal. This is shown in Figure 2.5.
Figure 2.3 Digital output signal connection
Bekijk gratis de handleiding van Advantech PCI-1780U, stel vragen en lees de antwoorden op veelvoorkomende problemen, of gebruik onze assistent om sneller informatie in de handleiding te vinden of uitleg te krijgen over specifieke functies.
Productinformatie
Merk | Advantech |
Model | PCI-1780U |
Categorie | Niet gecategoriseerd |
Taal | Nederlands |
Grootte | 4254 MB |