Advantech PCI-1752U handleiding
Handleiding
Je bekijkt pagina 25 van 38

19 PCI-1752U/ PCI-1752USO User Manual
Chapter 3 Signal Connections
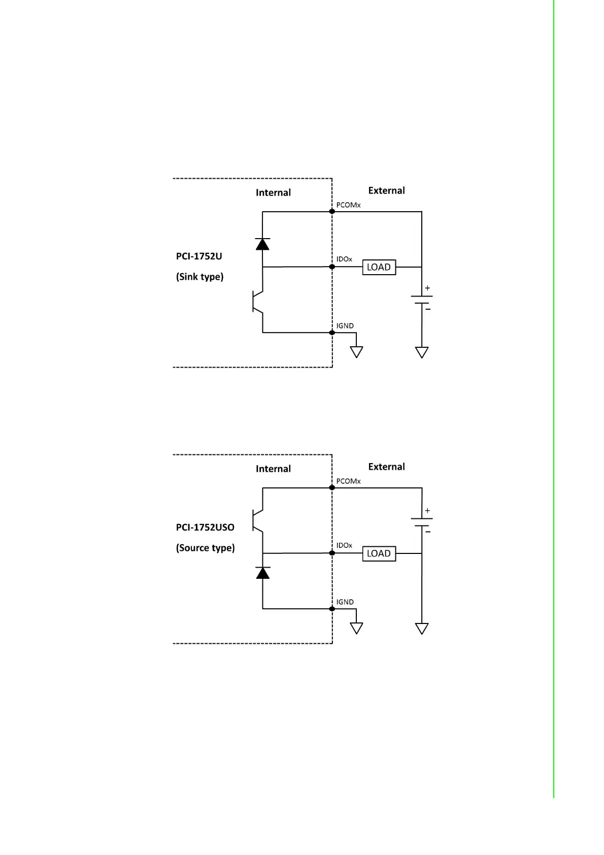
3.3.2 Isolated Digital Output
Each of isolated output channels comes equipped with a MOSFET, polyswitch (for
current protection) and integral suppression diode for using with inductive loads. If an
external voltage (5 ~ 40 V
DC
) is applied to an isolated output channel, the current will
flow from the external voltage source to the card. Please note that the current
through each IDO channel should not exceed 200 mA.
Figure 3.3 PCI-1752U isolated digital output connection (sink type)
Figure 3.4 PCI-1752USO isolated digital output connection (source type)
Bekijk gratis de handleiding van Advantech PCI-1752U, stel vragen en lees de antwoorden op veelvoorkomende problemen, of gebruik onze assistent om sneller informatie in de handleiding te vinden of uitleg te krijgen over specifieke functies.
Productinformatie
Merk | Advantech |
Model | PCI-1752U |
Categorie | Niet gecategoriseerd |
Taal | Nederlands |
Grootte | 4603 MB |