Advantech AIIS-1882 handleiding

40 pagina's
PDF beschikbaar

Handleiding

Je bekijkt pagina 21 van 40
11 AIIS-1882 User Manual
Chapter 2 Installation and Field Application
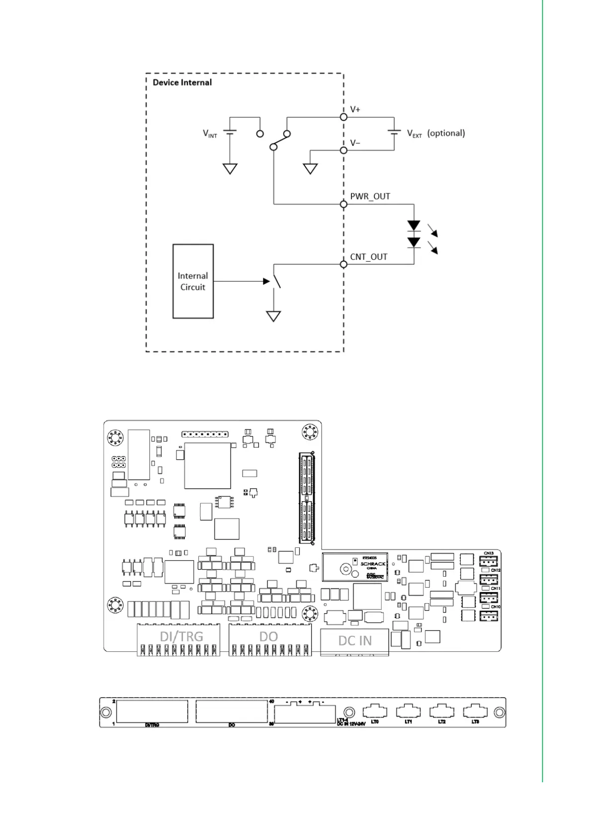
Figure 2.8 Lighting output connection
2.2.4 Pin Assignments
Figure 2.9 Layout view of AIIS-1882
Figure 2.10 Front view of AIIS-1882

Bekijk gratis de handleiding van Advantech AIIS-1882, stel vragen en lees de antwoorden op veelvoorkomende problemen, of gebruik onze assistent om sneller informatie in de handleiding te vinden of uitleg te krijgen over specifieke functies.

Productinformatie

MerkAdvantech
ModelAIIS-1882
CategorieNiet gecategoriseerd
TaalNederlands
Grootte5165 MB