Zodiac Z300 M7 handleiding

22 pagina's
PDF beschikbaar

Handleiding

Je bekijkt pagina 18 van 22
H0439100.A1.FR2013/10
 4
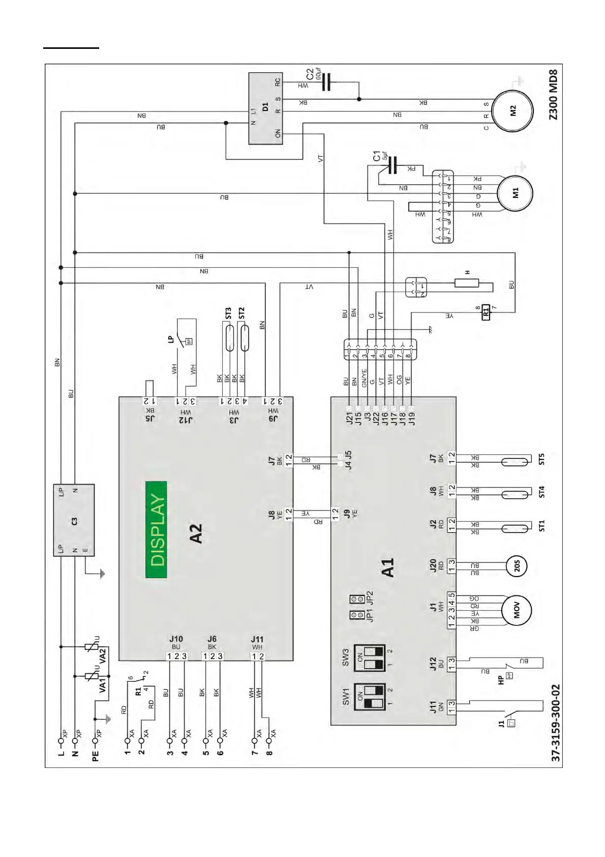
Z300MD8

Bekijk gratis de handleiding van Zodiac Z300 M7, stel vragen en lees de antwoorden op veelvoorkomende problemen, of gebruik onze assistent om sneller informatie in de handleiding te vinden of uitleg te krijgen over specifieke functies.

Productinformatie

MerkZodiac
ModelZ300 M7
CategorieNiet gecategoriseerd
TaalNederlands
Grootte8547 MB