Handleiding
Je bekijkt pagina 11 van 13

10
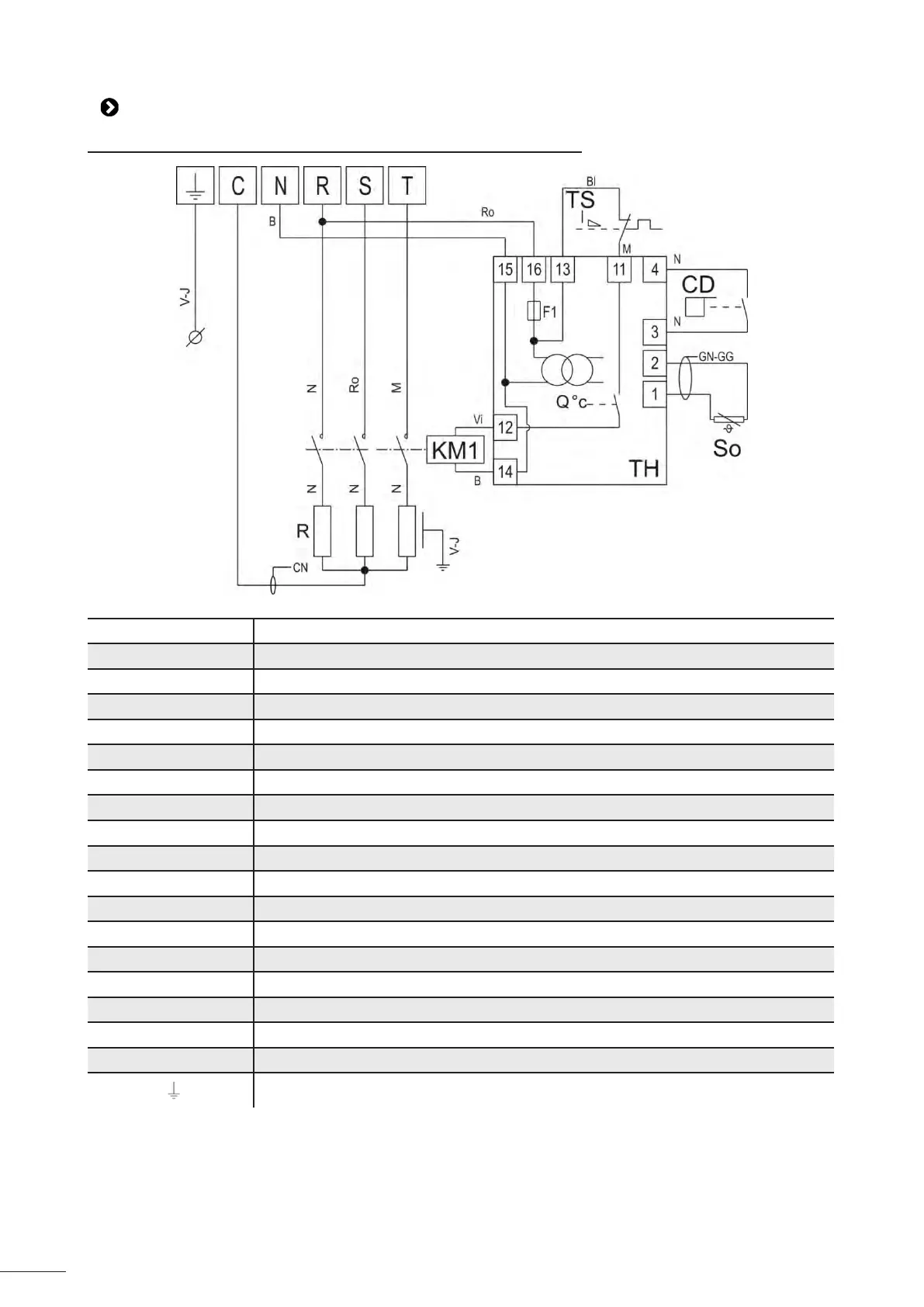
5.2 I Wiring diagram
5.2.1 Red Line 3-6-9 kW single-phase current and three-phase current
C-R 230V-1N-50Hz power supply
N-R-S-T 400V-3N-50Hz power supply
TH Regulang thermostat with digital display
F1 3.15 A-T protecon fuse
CD Flow switch
So Pool water regulaon sensor (PTC)
R Resistor (capacity engraved on the metal cup)
KM1 Power contactor
TS Overheat control (triggered at 63 °C, manual reset)
GN-GG Black cladding or grey cladding
CN Black cable (coloured electrical bonding)
V-j Green-yellow
B Blue
M Brown
Bl White
N Black
Ro Red
Vi Violet
Earth
Bekijk gratis de handleiding van Zodiac Red Line, stel vragen en lees de antwoorden op veelvoorkomende problemen, of gebruik onze assistent om sneller informatie in de handleiding te vinden of uitleg te krijgen over specifieke functies.
Productinformatie
Merk | Zodiac |
Model | Red Line |
Categorie | Heater |
Taal | Nederlands |
Grootte | 3267 MB |