Zodiac PM40 handleiding
Handleiding
Je bekijkt pagina 27 van 31

47
PM40 MD2 - MD3 - MD4 - MD5
English Français Deutsch Nederlands Español Português Italiano
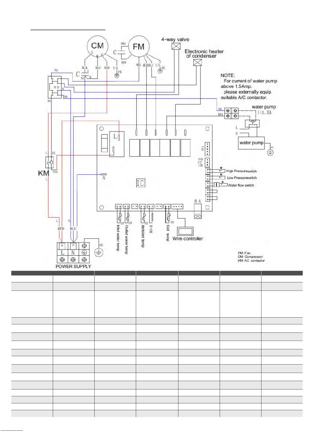
4-way valve Vanne 4 voies Vierwegevenl 4-wegklep Válvula 4 vías Válvula 4 vias Valvola 4 vie
Electronic heater of
condenser
Chauage électrique
du condenseur
Elektrische Heizung
des Kondensators
Elektrische verwarming
van de condensor
Calefacción eléctrica
del condensador
Aquecimento elétrico
do condensador
Riscaldamento elerico
del condensatore
NOTA: For current of
water pump above
1.5 Amp.
Please externally
equipe suitable A/C
contactor.
NOTE : Pour le
courant de la pompe
à eau au-dessus de
1,5 Amp. S’il vous plaît
équiper l’extérieur A/C
contacteur approprié.
HINWEIS: Für
Stromstärken der
Wasserpumpen
über 1,5 Ampere ein
geeignetes A/C-Schütz
extern moneren.
NOTA: Voor de stroom
van de waterpomp
boven de 1,5 A. Voorzie
de buitenzijde van de
schikte A/C-contactor.
NOTA: para la corriente
de la bomba de
agua por encima
de 1,5 Amp, instale
el contactor A/C
apropiado.
NOTA: Para a corrente
da bomba de água
acima de 1,5 Amp.
Queira equipar
exteriormente
um contactor A/C
apropriado.
NOTA: Per la corrente
della pompa dell’acqua
superiore a 1,5 Amp.
Dotare l’esterno di
un contaore A/C
appropriato.
Water pump Pompe à eau Wasserpumpe Waterpomp Bomba de calor Bomba de água Pompa dell’acqua
High Pressure switch
Pressostat haute
pression
Druckregler Hochdruck Hogedrukpressostaat
Presostato de alta
presión
Pressostato alta
pressão
Pressostato alta
pressione
Low Pressure switch
Pressostat basse
pression
Druckregler
Niederdruck
Lagedrukpressostaat
Presostato de baja
presión
Pressostato baixa
pressão
Pressostato bassa
pressione
Water Flow switch
Détecteur de débit
d’eau
Paddelschalter Waterdebietdetector
Detector del caudal
de agua
Detetor de caudal de
água
Rilevatore di portata
d’acqua
Power Supply Source de courant Stromversorgung Stroombron Fuente de alimentación Fonte de corrente Alimentazione elerica
Inlet water temp
Température d’entrée
d’eau
Eingangstemperatur
des Wassers
Temperatuur
waterinlaat
Temperatura de
entrada de agua
Temperatura de
entrada da água
Temperatura di entrata
dell'acqua
Outlet water temp
Température sore
d’eau
Ausgangstemperatur
des Wassers
Uitgang van de
watertemperatuur
Temp. agua salida
Temperatura saída da
água
Uscita della
temperatura dell’acqua
Ambient temp Température ambiante Raumtemperatur
Omgevings-
temperatuur
Temperatura ambiente Temperatura ambiente Temperatura ambiente
Coil temp
Température de
l’évaporateur
Wasserauslass-
temperatur
Temperatuur
wateruitgang
Temperatura de salida
de agua
Temperatura do
evaporador
Temperatura di uscita
dell'acqua
Wire controller Régulateur Regler Regelaar Regulador Regulador Regolatore
Fan Venlateur Lüer Venlator Venlador Venlador Venlatore
Compressor Compresseur Kompressor Compressor Compresor Compressor Compressore
AC contactor Contacteur AC AC-Schütz AC-Contactor Contactor CA Contator AC Contaore A/C
Bekijk gratis de handleiding van Zodiac PM40, stel vragen en lees de antwoorden op veelvoorkomende problemen, of gebruik onze assistent om sneller informatie in de handleiding te vinden of uitleg te krijgen over specifieke functies.
Productinformatie
| Merk | Zodiac |
| Model | PM40 |
| Categorie | Niet gecategoriseerd |
| Taal | Nederlands |
| Grootte | 8785 MB |







