Zodiac CAE Ducted handleiding

26 pagina's
PDF beschikbaar

Handleiding

Je bekijkt pagina 21 van 26
H0384600.A1.EN2012/10 2
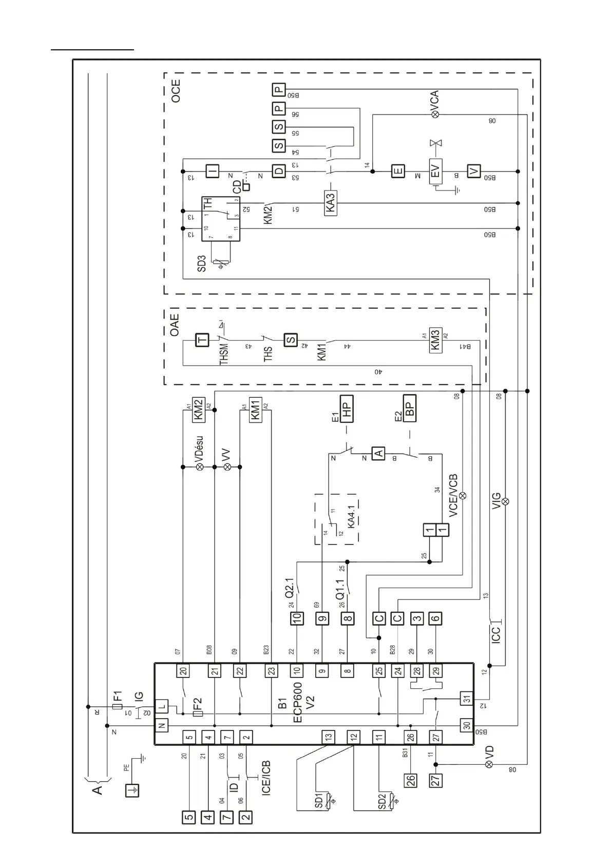
Controldiagram

Bekijk gratis de handleiding van Zodiac CAE Ducted, stel vragen en lees de antwoorden op veelvoorkomende problemen, of gebruik onze assistent om sneller informatie in de handleiding te vinden of uitleg te krijgen over specifieke functies.

Productinformatie

MerkZodiac
ModelCAE Ducted
CategorieNiet gecategoriseerd
TaalNederlands
Grootte6812 MB