Zipper ZI-STE1000INV handleiding

41 pagina's
PDF beschikbaar

Handleiding

Je bekijkt pagina 35 van 41
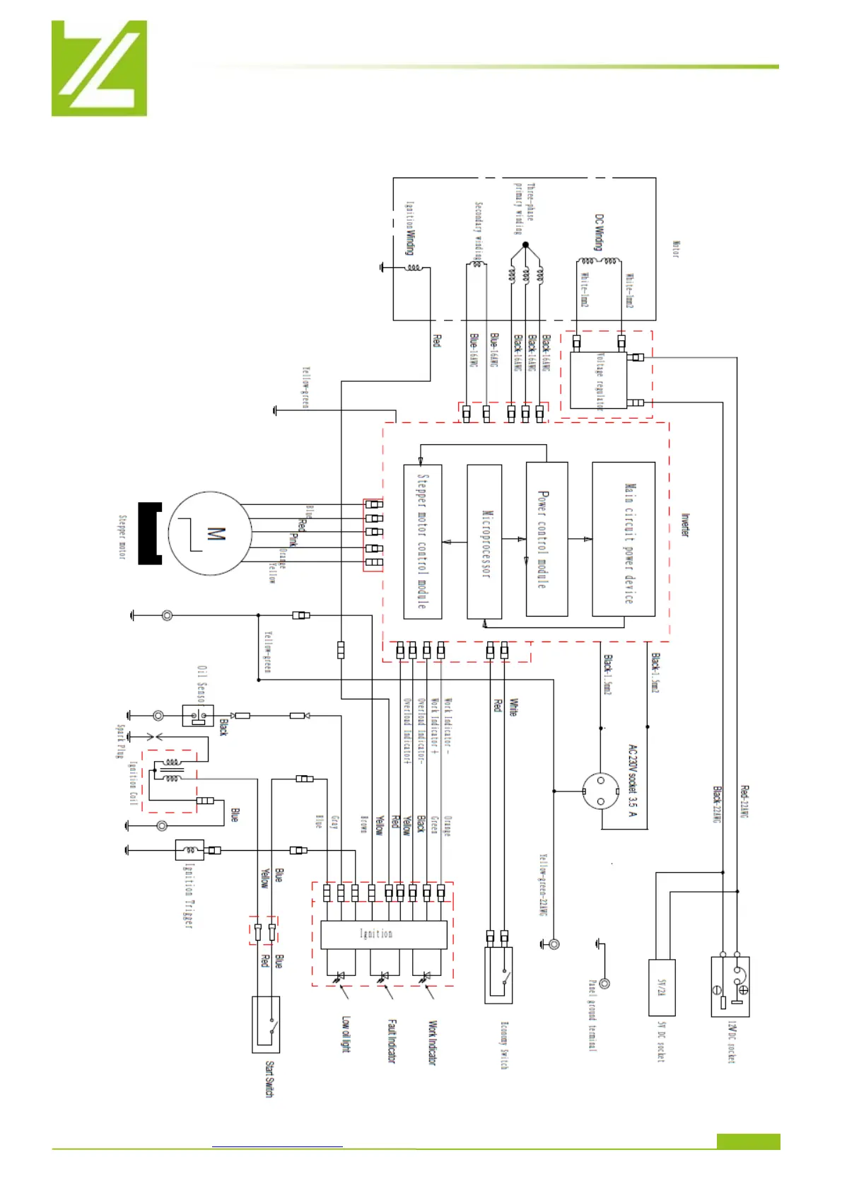
ELEKTRISCHER SCHALTPLAN / WIRING DIAGRAM
ZIPPER MASCHINEN GmbH www.zipper-maschinen.at 35
ZI-STE1000INV
16 ELEKTRISCHER SCHALTPLAN / WIRING DIAGRAM

Bekijk gratis de handleiding van Zipper ZI-STE1000INV, stel vragen en lees de antwoorden op veelvoorkomende problemen, of gebruik onze assistent om sneller informatie in de handleiding te vinden of uitleg te krijgen over specifieke functies.

Productinformatie

MerkZipper
ModelZI-STE1000INV
CategorieNiet gecategoriseerd
TaalNederlands
Grootte9420 MB

Caratteristiche Prodotto

Kleur van het productBlack, Green
Gewicht9900 g
Gewicht verpakking11500 g
Breedte verpakking220 mm
Diepte verpakking415 mm