Handleiding
Je bekijkt pagina 25 van 68

DC Inverter U-match Series Floor Ceiling Type Unit
21
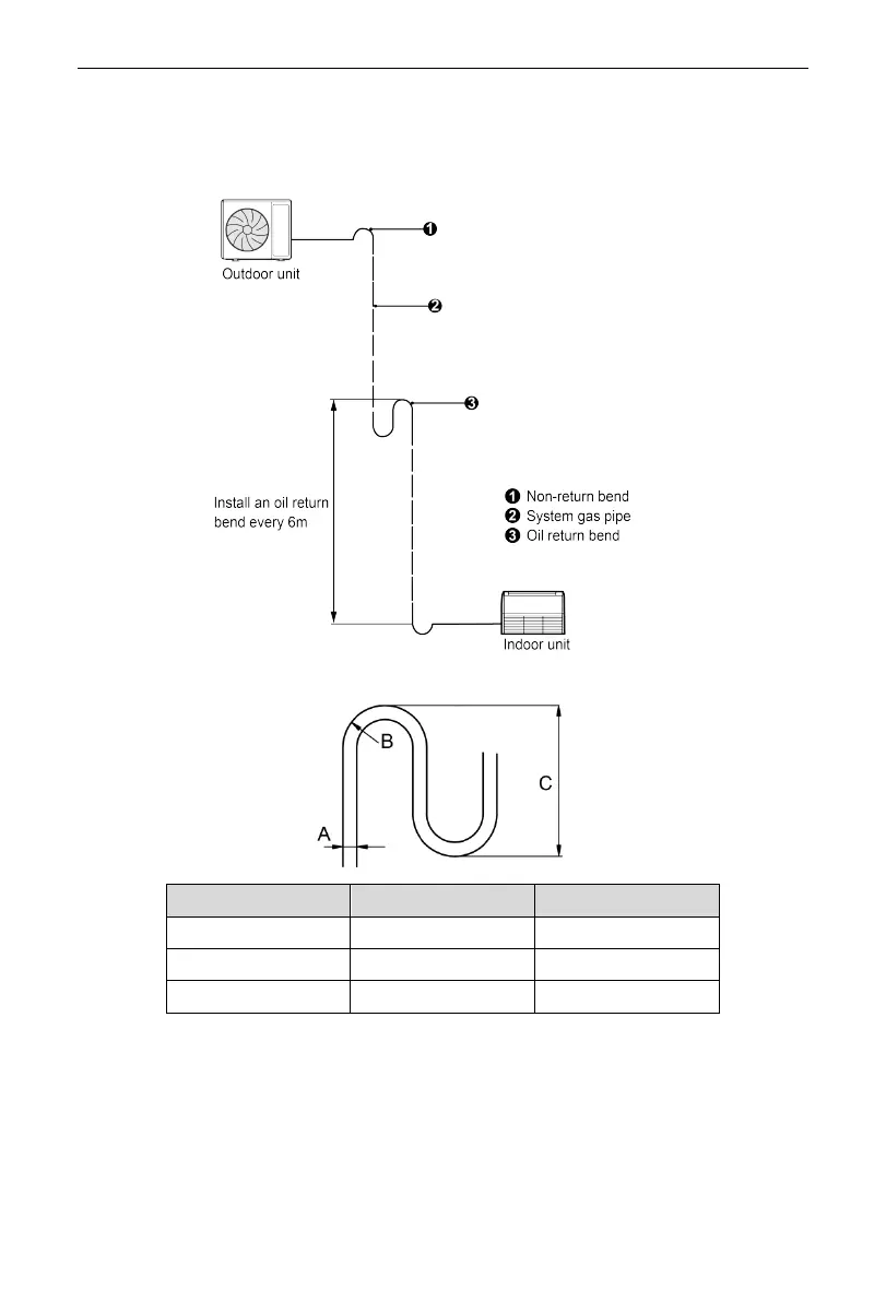
(2) Outdoor unit is above the indoor unit.
It’s necessary to add oil return bend and non-return bend at the lowest and
highest position of the vertical pipe, as shown below:
Dimensions for the making of oil return bend are as follows:
A(inch)
B(mm)
C(mm)
Ф3/8
≥20
≤150
Ф1/2
≥26
≤150
Ф5/8
≥33
≤150
2.2.3.2 Pipe Flaring
(1) Cut the connection pipe with a pipe cutter.
(2) The mouth of connection pipe should face downward. Remove burrs with
the cut surface so that the chips do not enter the pipe.
(3) Remove the cut-off valve of outdoor unit and take out the flare nut from
the bag of indoor unit accessories. Then fit the flare nut on the pipe and
Bekijk gratis de handleiding van Yamato R32 YFC18G4, stel vragen en lees de antwoorden op veelvoorkomende problemen, of gebruik onze assistent om sneller informatie in de handleiding te vinden of uitleg te krijgen over specifieke functies.
Productinformatie
Merk | Yamato |
Model | R32 YFC18G4 |
Categorie | Airco |
Taal | Nederlands |
Grootte | 5874 MB |