Yamaha DME8i-ES handleiding
Handleiding
Je bekijkt pagina 12 van 48

Introduction to the DME Satellite
DME8i-ES/DME8o-ES/DME4io-ES Owner’s Manual
Foreword
Introduction to
the DME Satellite
Controls and
Connectors
Connecting to
a Computer
Audio I/O
Connection
Connecting to an
External Device
Other Functions
References
12
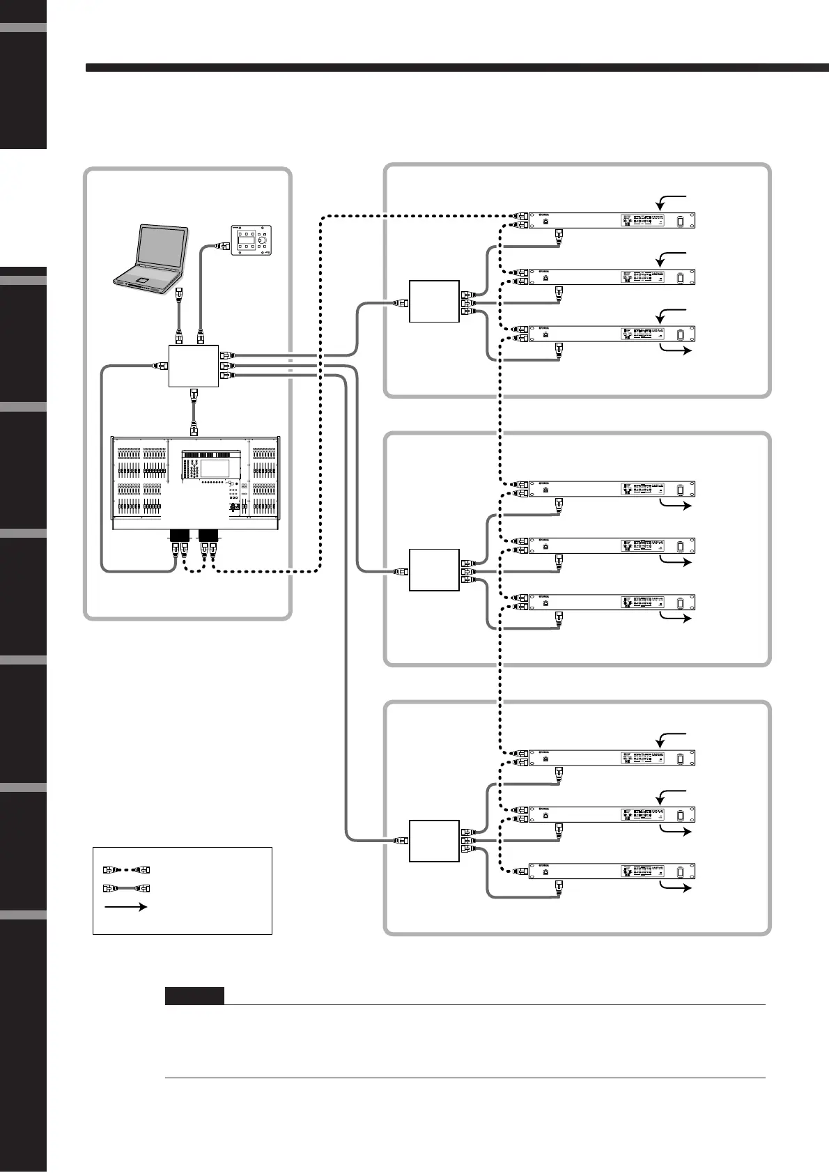
System Examples
Multiple DME Satellite units: Large-scale system
NOTE
• Connect the computer to the [IN] connector of the first daisy-chained EtherSound device.
This connector can also be used in common with the same network as Ethernet Control.
•Units following the [OUT] connector of the first EtherSound device cannot be used in common with the same network as
Ethernet Control.
ICP1
Computer
Hub
Hub
Hub
Hub
M7CL
DME8i-ES
DME8i-ES
DME4io-ES
DME8o-ES
DME8o-ES
DME8o-ES
DME4io-ES
DME8o-ES
DME8i-ES
Space B
Space A
Space C
Space D
Analog In
Analog In
Analog In
Analog Out
Analog Out
Analog Out
Analog In
Analog In
Analog Out
Ethernet Control
Analog Audio
Analog Out
EtherSound
compatible
I/O card × 2
Primary
Master
EtherSound
Analog Out
Bekijk gratis de handleiding van Yamaha DME8i-ES, stel vragen en lees de antwoorden op veelvoorkomende problemen, of gebruik onze assistent om sneller informatie in de handleiding te vinden of uitleg te krijgen over specifieke functies.
Productinformatie
| Merk | Yamaha |
| Model | DME8i-ES |
| Categorie | Niet gecategoriseerd |
| Taal | Nederlands |
| Grootte | 8326 MB |







