Yaesu FT-847 handleiding
Handleiding
Je bekijkt pagina 16 van 108

14
FT-847 OPERATING MANUAL
ACCESSORY INTERFACING
Installation
The FT-847 may be connected to a wide variety of
accessories in your amateur station. Wherever possible
(e.g. PTT, ALC, KEY, SPKR, PKT, DATA, CAT,
ANTENNA) commonly-accepted standard connectors
have been used for accessory interfacing so as to mini-
mize the need for “custom” cabling.
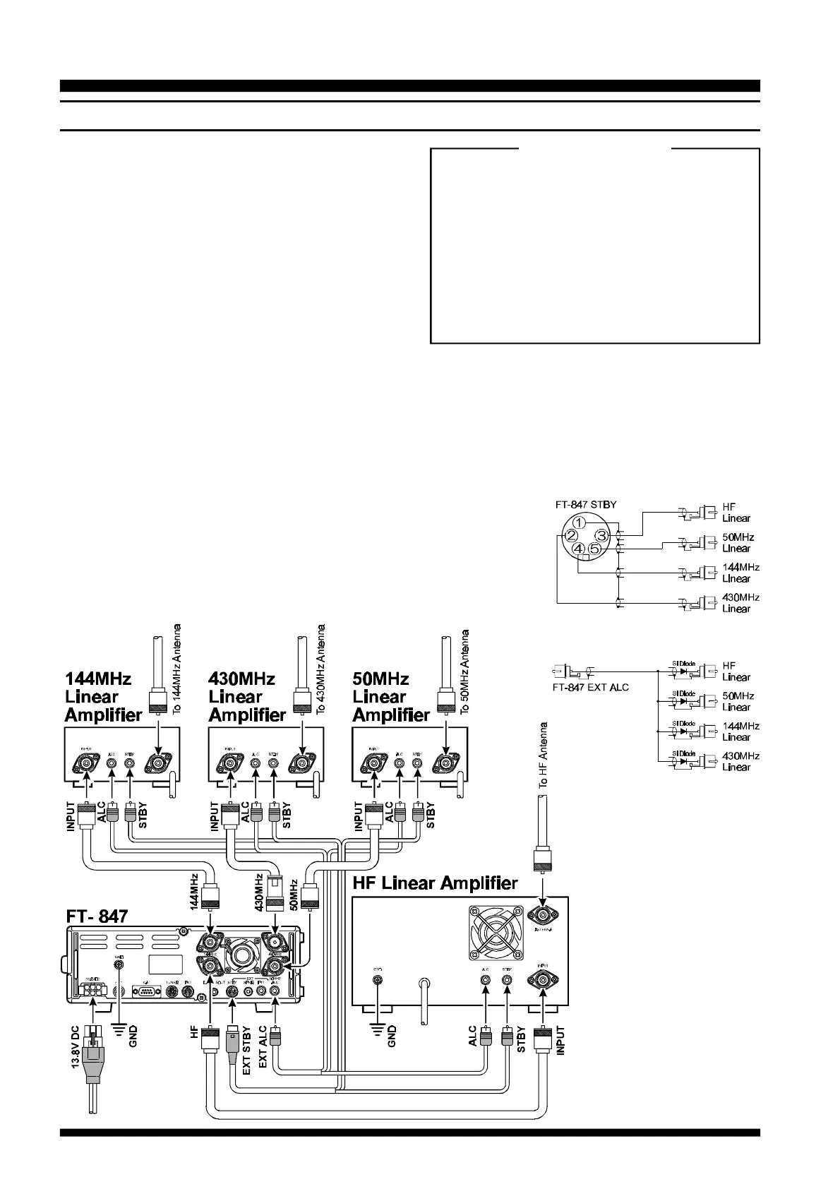
Linear Amplifier Interfacing
The FT-847 provides the switching and control lines
required for easy interfacing to most all commonly-
available amplifiers used today.
These include:
l Separate RF output jacks for HF, 50 MHz, 144
MHz, and 430 MHz;
l Separate T/R control lines (open-circuit on RX,
closure to ground on TX); and
l A negative-going ALC jack (control voltage
range: 0 to −4V DC).
The T/R control lines are transistor “open collector”
circuits, capable of handling positive amplifier relay
coil voltage of up to +24V DC and current of up to
100 mA.
Important Note!
Do not exceed the maximum voltage or current
ratings for the STBY jack. This jack is not com-
patible with negative DC voltages, nor AC volt-
ages of any magnitude.
Most amplifier control relay coils require much
lower voltage/current switching capability (typi-
cally, +12V DC at 25-75 mA), and the switch-
ing transistors in the FT-847 will easily accom-
modate such amplifiers.
Typical amplifier interface circuits are shown below.
Note that some amplifiers, particularly VHF or UHF
“brick” amplifiers, offer two methods of T/R switch-
ing: application of +13V or a closure to ground. Be
sure to configure your amplifier so that it switches via
a closure to ground, as provided by your FT-847.
STBY Cable
ALC Cable
Bekijk gratis de handleiding van Yaesu FT-847, stel vragen en lees de antwoorden op veelvoorkomende problemen, of gebruik onze assistent om sneller informatie in de handleiding te vinden of uitleg te krijgen over specifieke functies.
Productinformatie
Merk | Yaesu |
Model | FT-847 |
Categorie | Niet gecategoriseerd |
Taal | Nederlands |
Grootte | 17150 MB |