Wiesenfield WIE-PD-120 handleiding

150 pagina's
PDF beschikbaar

Handleiding

Je bekijkt pagina 23 van 150
PL
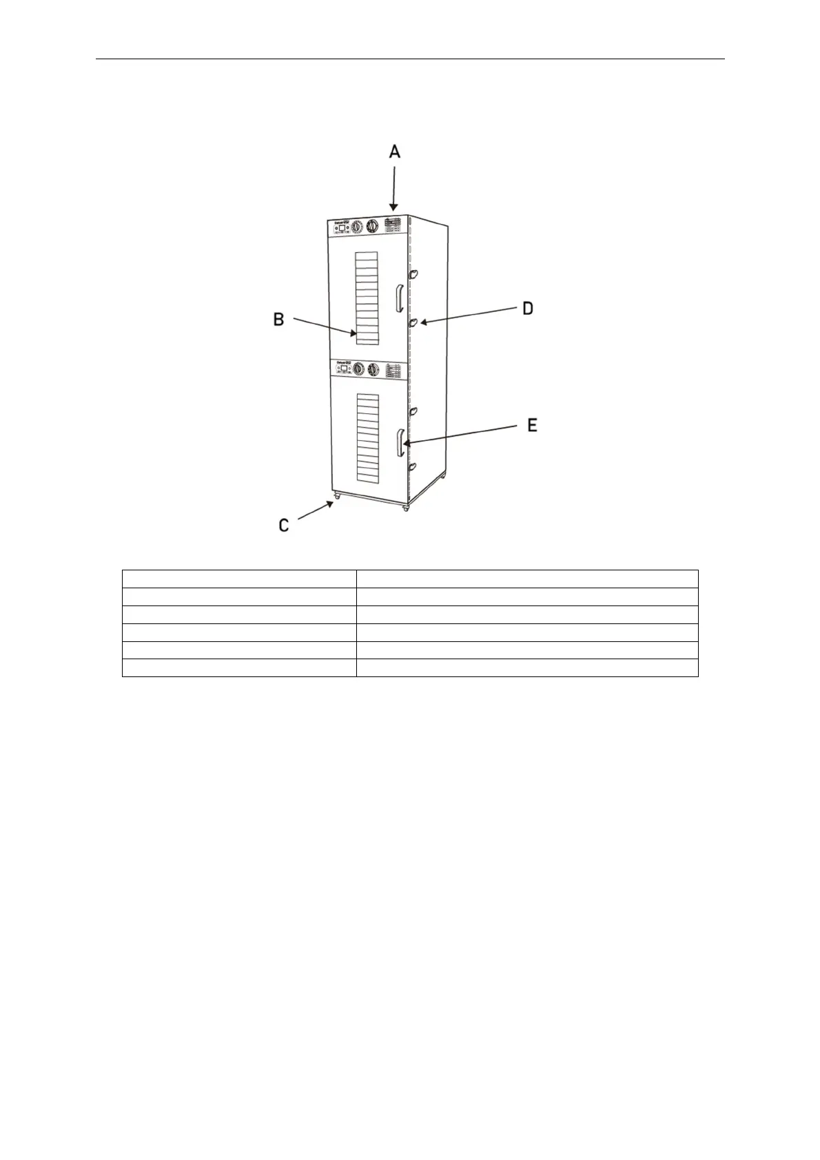
Schemat części
Numer części Opis urządzenia
A Panel sterujący
B Stojaki
C Gumowe żki
D Klamra drzwiowa
E Klamka

Bekijk gratis de handleiding van Wiesenfield WIE-PD-120, stel vragen en lees de antwoorden op veelvoorkomende problemen, of gebruik onze assistent om sneller informatie in de handleiding te vinden of uitleg te krijgen over specifieke functies.

Productinformatie

MerkWiesenfield
ModelWIE-PD-120
CategorieNiet gecategoriseerd
TaalNederlands
Grootte19797 MB